优 体 桌 球 俱 乐 部 灭 火 和 应 急 疏 散 预 案 为 保 障 优 体 桌 球 俱 乐 部 的 消 防 安 全 , 加...
灭火和应急疏散预案演练制度 1、宾馆灭火和应急疏散演练由消防安全责任人或消防安全管理人组织,各部门负责人、各岗位消防安全责任人参加...
灭火和应急疏散预案 为 加 强 我 公 司 的 消 防 安 全 工 作 ,提 高 单 位 职 工 对 突 发 火 灾 事 故 的 ...
灭火和应急疏散预案 5 篇 突发事件是事物内在矛盾由量变到质变的奔腾进程,是通过一定的契机诱发的,诱因具有一定的偶然性和不易发觉的...
灭 火 和 应 急 疏 散 预 案 (以 酒 店 为 例 ) 为 了 保 护 火 灾 发 生 时 顾 客 及 员 工 的 生 命 和...
. . 消防安全重点单位档案序号( ) 灭火和应急疏散演练记录 医院 . . 灭火和应急疏散演练记录 (至少每半年一次) 时 间 2016...
灭火原理及基本知识 火使人类告别了茹毛饮血的时代,火是人们日常生活和生产中不可缺少的,但是,火一旦失去控制,就会造成财产的损失和人...
灭 火 与应急疏散应急预案 灭 火 与 应 急 疏 散 应 急 预 案 ( 精 选 16 篇 ) 在 日 常 学 习 、工作或生活中...
灭火常识 使用灭火器扑救初起火灾,应采用连续喷射的方法?(常用的手提式灭火器的喷射时间仅有1 0 秒左右,为充分发挥其效能,一般应集...
1 火灾种类、灭火器类型及灭火常识 目录 一、火灾种类 ..............................................................................
火探管式自动探火灭火装置设计、施工及验收规范
探火管非电自启动灭火装置 使用说明书 西安分享电子科技有限公司 1 目 录 一、 概述---------------------------------------------...
火探管式感温自启动灭火装置的施工 1、 火探装置安装首先要满足的条件: (1) 机柜到位; (2)机柜处于停电状态; 2、 火探安装的...
(一)湿式自动喷水灭火系统简介 1 .系统的组成 湿式喷水灭火系统是由喷头、报警止回阀、延迟器、水力警铃、压力开关(安于管上)、水流...
本文对湿式、干式自动喷水灭火系统消防设施操作做了详细的图解,供行业内朋友们参考。 一、湿式自动喷水灭火系统 1.系统用途 用于环境温...
湿、干式自动喷水灭火系统 消防设施操作图解 本文对湿式、干式自动喷水灭火系统消防设施操作做了详细的图解,供行业内朋友们参考。 一、...
善于学习 认真总结 施工现场灭火应急疏散预案 二〇一八年十一月二十八日 善于学习 认真总结 目 录 前 言 .........................
优 选 文 档 . 目 录 一 、 总 则 ..........................................................................................
目 录 一、 目的 ......................................................... 1 二、 适用范围 ...................................
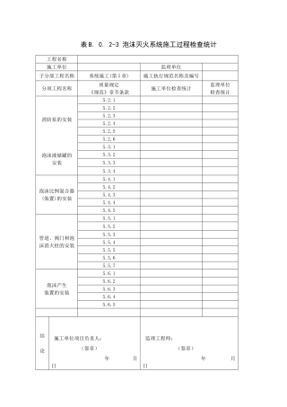
表 B. 0. 2-3 泡沫灭火系统施工过程检查统计工程名称施工单位监理单位子分部工程名称系统施工(第 5 章)施工执行规范名称及编号分项工...

