专业工作年限证明表 我单位____同志,累计从事工程咨询相关专业工作共____年。 起止年月从事何种专业工作专业技术职务 年月- 年月 年...
一级建造师工作年限证明样本 一级建造师执业资格考试报考业务工作证明 我单位 xxxx 同志,身份证号 xxxxxxxxxxxxxxxxx 从事建设工程...
一级建造师工作年限证明 本篇文章由为您精心整理,希望能对您有所帮助,假如您觉得我们站不错的话,请把它加到您的收藏夹里面以便下次访问...
摘 要紫花苜蓿因其优良的饲用价值和生态功能,在黄土高原环境建设和产业结构调整中发挥着重要作用。针对目前黄绵土区苜蓿草地 N2O 释放...
不同贮藏年限新会陈皮的质量分析目 录摘要.............................................................................................
服务年限不满调离时超收费用应退回案 案 情 原告:黎琼,女,35 岁,建阳市立医院护士。 原告:峰,女,39 岁,省司法厅干部。 被告...
房地产土地的使用年限是如何确定的?凡与省市土地管理部门签订《土地使用权出让合同书》的用地,其土地使用年限按国家规定执行。即:居住用...
工 业 用 地 出 让 实 行 弹 性 年 限 和 后 评 价 之 必 要性 探 讨— 写 在 开 发 区 土 地 集 约 利 用...
固定资产折旧年限最新规定 2024固定资产折旧年限最新规定 2024 我国现行《中华人民共和国企业所得税法实施条例》中有对企业固定资产折旧...
2024 年度本科生毕业论文(设计)不同年限不同批次普洱茶 HPLC-UV指纹图谱讨论与其质量评价院 - 系: 理学院 化学系 专 业: 化...
附录十二:常见通用设备经济寿命参考年限表设备分类 寿命年限(年)设备分类 寿命年限(年)一、机械设备1、普通金属切削机床 10-18 其 ...
行政事业单位常用固定资产使用年限表[日期:2010—06-18][字体:大 中 小]行政事业单位常用固定资产使用年限表一、交通运输设备(一)...
行政事业单位常用固定资产使用年限表(供参考)一、 土地及房屋(一)土地使用权序号设备名称使用年限备注1土地使用权70(二)房屋建筑物序...
附件 2:从事监理专业工作年限证明兹有我单位 同志,至今年年底已累计从事监理专业工作共 年。其从事监理专业工作主要经历如下:起 止 ...
气瓶气体检验周期使用年限钢瓶无缝气瓶(高压)活性气体: 氧气、二氧化碳、氢气、七氟丙烷3 年30 年惰性气体: 氮气、氩气、六氟化硫5...
最新最新的固定资产折旧年限表2024—01—15除国务院财政、税务主管部门另有规定外,固定资产计算折旧的最低年限如下: (一)房屋、建筑物...
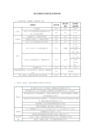
常见车辆折旧年限及折旧率参考表 一、汽车使用年限、延限期限、检验周期一览表车辆类型使用年限最长延用期限延用期的检验周期大型车大型货...
注册安全工程师管理规定1 报考年限: 2 省级安监初审、国家安监注册 ,3 有效,提前 3 月申请复审, 培训 48 课时;3 注销:1 ...
附件 2:从事监理专业工作年限证明兹有我单位 同志,至今年年终已合计从事监理专业工作共 年。其从事监理专业工作重要经历如下:起 止 ...
二级建造师年限证明及证明范本二级建造师年限证明及证明范本我单位同志,已合计从事建设工程项目施工管理工作共年。起止年月从事何种专业工...

