1 欧洲指令ATEX 工厂条件审查培训资料汇总(一) ATEX 94/9/EC 指令 2 欧洲议会和欧盟理事会 关于各成员国对用于潜在爆炸性环境的...
关于ATEX 防爆说明 关于ATEX 防爆说明 (一)防爆指令 一、指令94/9/EC 1994 年 3 月 23 日,欧洲委员会采用了“潜在爆炸环境用...
防爆指令 ATEX 介绍 一、概述 在欧洲,欧盟成员国为了建立统一的欧洲大市场,真正实现商品、劳务、资本与人员的自由流通,做出一系列统...
ATEX与SIL及仪表认证
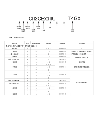
ATEX防爆型式介绍保护型式符号设备防护等级应用区域适用标准防爆原理易燃气体、蒸气、薄雾环境中使用的电气设备(G)通用要求//0、1、2EN60...

