三大类岩石野外肉眼鉴别的基本方法 鉴别岩石有各种不同的方法,但最基本的是根据岩石的外观特征,用肉眼和简单工具(如小刀、放大镜、盐酸...
采区人行上山岩石离层处理安全技术措施一、概况: 南四采区人行上山一环硫铁矿段岩石离层,加之硫铁矿风化,原支护失效。严重威胁上、下人...
路岩石安全技术交底交底内容:1、 施工人员和工人进入施工现场必须佩戴安全防护用品,如安全帽、水鞋、手套等;2、 进入施工现场的工人,...
岩石的分类自然界有各种各样的岩石,按成因可分为岩浆岩、沉积岩和变质岩三大类。一、岩浆岩因也岩浆岩的形成:地壳下部,由于放射性元素的...
自动岩石切片机安全操作章程1、接下总电源按钮,控制台面板上的各停止按钮上方的指示灯应全亮。依次接主机的起动按钮,看其主机的旋转方向...
清理岩石方案背景岩石清理是指将自然环境中的岩石表面所附着的土壤、藤蔓、树叶、灰尘、油污、泥浆等污垢及树根、小草等恶劣环境下的生物清...
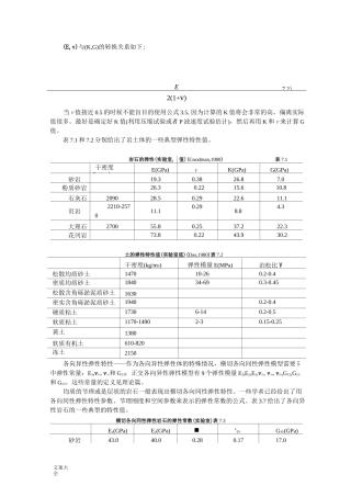
.3.2 岩石旳比重、孔隙率 a、岩石比重 岩石旳比重就是指岩石旳干比重除以岩石实体体积(不涉及孔隙),再与 4℃时水旳容重相比,即:式...
岩石电钻司机操作章程1、司机应经过专业知识培训,考试合格之后上岗。2、钻机使用时应连接具备良好漏电保护性能的综保装置,每班工作之前检...
山体岩石破除施工方案1. 背景介绍随着城市化进程的加快,越来越多的建筑项目需要建在山体之中或者山体下方。由于山体结构复杂,其中可能存...
郑煤集团白坪煤矿大断面岩石下山快速施工技术郑煤集团白坪矿设计年生产能力 180 万吨/年,采纳主斜井、副立井两个水平上下山开拓。11 采...
岩石力学课程的教学改革与实践岩石力学是讨论岩石力学性能的理论和应用的科学,是探讨岩石对其周围物理环境中力场的反应的力学分支,”它是...
岩石力学课程实践性教学改革探讨年摘要:为适应我国土木工程专业人才培育和教学的需要,针对土木工程专业基础课——岩石力学课程的教学特点...
DDDDDDDDDDDDDDDDDDDDDDDD□□□□□□□□DDDDDDDDDDDDDDDDDDDDDDDDDDDDDDDDDDDDDDDDDDDDDDDDDDDDDDDDDDDDDDDDDDDDDDDDDDDDDDDDDDDDDDDDDD...
基于分形理论的岩石裂隙非线性渗流各向异性讨论活动造成岩体被大量的断层、裂隙切割,这些结构面及其构成的网络成为地下水流动的主要通道,...
埃塞俄比亚的岩石教堂11 座巨大的教堂连为一体,每座教堂都奇妙地嵌入群山之中,深化地下四五十米,阳光透过十字形斧凿缺口照进镂空的内部...
三大类岩石的比较三大类岩石的比较 (一)岩浆岩的观察与描述 对岩浆岩的观察,一般是观察其颜色、结构、构造、矿物成分及其含量,最后确定...
片麻岩是什么岩石变质片麻岩 是由岩浆岩或沉积岩经深变质作用而成的岩石。具有暗色与浅色矿物相间呈定向或条带状断续排列的片麻状构造特征...
花岗岩属于什么岩石花岗岩属于酸性〔SiO266%〕岩浆岩中的侵入岩,这是此类中最常见的一种岩石,多为浅肉红色、浅灰色、灰白色等。下面是 x...
“岩石上的小蝌蚪”续写 小蝌蚪正做着梦呢,忽然一个声音响起来,啊!是圆脸蛋的小哥哥。小蝌蚪们兴奋极了,它看见圆脸蛋的哥哥拿着美丽的...
%//安山质角砾宕去山质擬按岩安山质砂砥岩白宰十白奚土砂质泥岩%11%--%•口〃…•白垩土质白云岩白垩土质粉砂岩白垩土质换岩白垩土质泥岩白...

