1 / 23 最常用的 600 个法语单词一、形容词( 73 个) Adjectifs bleuAdjectifsuperAdjectifautreAdjectifbizarreAdjectifdiffici...
最常用的索具——钢丝绳的安全使用1、钢丝绳如何分类及其适用条件:钢丝绳的分类可按绳芯、 捻绕次数(单捻和双捻)、绳股的捻向(右向捻...
最常用的三款PCB 设计软件简介1、PROTEL 电路自动设计 PROTEL 是 PORTEL公司在 20 世纪 80 年代末推出的电路行业的CAD软件,它当...
1.瓦拉赫效应奥托· 瓦拉赫是诺贝尔化学奖获得者彩。瓦拉赫在开始读中学时学期下来泥不善于构图学生苟花一下子被点燃了个道理旦找到了发挥...
办公室装修最常用的玻璃有哪几种在居泰隆公司办公室装修时候最常用到的玻璃有哪几种呢?夹丝玻璃 是采纳压延方法,将金属丝或金属网嵌于玻...
下载后可任意编辑1、本合同用英文和中文两种文字写成,一式四份。双方执英文本和中文本各一式两份,两种文字具有同等效力。 The contract...
一. My Family My name is Claire and I’m in my fourteen years old. I live a happy life because I have a war...
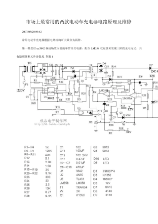
市场上最常用的两款电动车充电器电路原理及维修 2007/05/20 09:42 常用电动车充电器根据电路结构可大致分为两种。 第一种是以 uc3842...
1 平面图形面积 表 1 -7 3 2 3 多面体的体积和表面积 表 1 -7 4 4 5 6 物料堆体积计算 表1 -7 5 壳体表面积、侧面积计...
1 6 种最常用的砭石疗法 砭石疗法定义 砭石疗法是中华民族几千年来与疾病作斗争中积累起来的宝贵经验,是中医保健、中医养生、中医理疗...
最常用的15 个(组)前缀——高考词汇连载 前缀会改变词义,故应特别注意; 这里的前缀是以其在高考词汇中出现的频率从高到低排列的,所...
地道口语里最常用的连接词 类别 内容 用法说明与例句 因果 … so … … so that … … because therefore 说明:therefore...
数据挖掘最常见的十种方法 下面介绍十种数据挖掘(Data Mining)的分析方法,以便于大家对模型的初步了解,这些都是日常挖掘中经常遇到的...
下载后可任意编辑最佳酒店辞职报告与最常用的英文辞职报告语句汇编最佳酒店辞职报告辞职信,也叫辞职书或辞呈,是辞职者向原工作单位辞去职...
四六级最常考的三十个词汇alter v. 改变,改动,变更These clothes are too large; they must be altered. 这些衣服太大,得改...
幼师上课最常采用的 11 种导入语 在幼儿园阶段,由于幼儿的身心特点,大部分幼儿园集体教学活动的开展与完成主要依靠教师的语言指导来实...
老外最常说的二十个钻石级句子1.Afteryou.你先请2.Don’ttakeittoheart.别往心里去,别因此而费神3.We’dbetterbeoff。我们该走了4.Let’sf...
1高考英语最常用的单词abandonv.放弃,遗弃abilityn.能力;才能ablea.能够;有能力的aboutad.大约;到处prep.关于;在各处aboveprep.在……...
英语学习:最常用的26句生活用语1.Afteryou。你先请。这是一句很常用的客套话,在进/出门,上车得场合你都可以表现一下。2.Ijustcouldn'the...
语文复习最常用的6种记忆方法语文属于文科,要记住的知识不少。在复习语文这个科目的时候,同学们最常用的记忆方法是哪种呢,我们来看看下...

