原 文 出 处 : Madden S,Frankin M,Hellerstein J,et al.TinyDB:an acquisitional query processing system for sensor n...
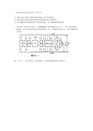
1.请在括号内填入适当答案。在CPU 中: (1) 保存当前正在执行的指令的寄存器是(指令寄存器 IR); (2) 保存当前正要执行的指令地址...
单选题 1、一般机器周期的时间是根据( )来规定的。 主存中读取一个指令字的时间 主存中读取一个数据字的时间 主存中写...
第三章中央处理器及散热器计算机组装、维护与维修计算机组装、维护与维修第3章中央处理器及散热器教学目标1.了解CPU、CPU散热器的作用、分...

