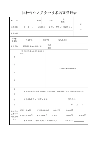
特种作业人员安全技术培训登记表 姓 名 性别 民族 文化 程度 照 片 出生时间 年 月 日 培训形式 新训□ 复训□ 复训换证□...
特 种 作 业人员安全操作 规程 济 南 万 达 建 筑 安 装 工 程 有 限 公 司 2011.02.01 目 录 ( 一)焊工 安 全...
特种作业人员安全管理规定 第一章 总 则 第一条 为了严格贯彻执行国家及其相关主管部门颁布的有关特种作业和特种作业人员监督管理的法...
(特种)作业人员安全教育培训记录 时间 地点 施工现场办公室 主持人 讲授人 培训工种 架 工 所在单位 培训内容: 1 、学习“...
1 中国铁路工程总公司临策铁路 第三项目经理部 特种作业人员 安全操作规程 二 O O 六年十二月十五日 2 目 录 1、电 工 安 ...
一、判断题(10 分) 1、从业人员不得拒绝用人单位的违章指挥和强令冒险作业。( ) A、对 B、错 2、从业人员在生产过程中,应当正确...
特种作业人员安全技术培训考核管理规定修正版 【发文字号】:国家安全监管总局令第80 号 【执行时间】:20150529 【信息来源】:国家安...
特种作业人员安全技术培训考核管理规定(2 0 1 5 修正)现行有效 发布:2 0 1 5 -0 5 -2 9 实施:2 0 1 5 -0 7 -0 1 基...
特种作业人员安全技术培训考核管理规定 第一章总则 第一条 为了规范特种作业人员的安全技术培训考核工作,提高特种作业人员的安全技术水...
特 种 作 业 人 员 安 全 培 训 纪 要 培 训 主 题 : 特 种 作 业 人 员 安 全 培 训 , 上 课 时 间 :...
特种作业人员和特种设备作业人员,都需要持证上岗,同一个人可以既是特种作业人员又是特种设备作业人员,比如某化工企业氯碱岗位操作人员,...
广西恒都输变电工程有限公司 特种作业人员及证件管理办法 第一条 为提高我公司特种作业人员的素质,规范特种作业人员及证件管理行为,根...
特种作业人员及特种设备作业人员管理制度 一、目的 为加强特种作业人员及特种设备作业人员的管理工作,提高特种作业人员及特种设备作业人...
特殊工种作业人员安全生产责任书 (操作手) 为了确保项目工程施工过程中特殊工种作业的安全,落实“安全第一,预防为主,综合治理”的方针...
爆破作业人员安全技术考核标准 GB 53-93 GB 53-93 发布时间:1993-7-1 1 主题内容与适用范围 1.1本标准规定了爆破作业人员安全技术...
爆破作业人员培训考核信息系统操作手册 (培训单位平台Ver 2.0) 广州中爆数字信息科技有限公司 二 〇 一 四 年 三 月 1 目 录...
煤矿特种作业人员复训(2 0 0 7 年版国家题库)安全检查工考试试题 法律法规知识 安全基本知识 安全技术理论知识 小计 判断题 39...
煤矿特种作业人员复训(2007 年版国家题库)瓦斯检验工考试试题 法律法规知识 安全基本知识 安全技术理论知识 小计 判断题 39 53 ...
附 录 8: 煤 矿 井 下 作 业 人 员 管 理 系 统 通 用 技 术 条 件 (AQ6210-2007)国 家 安 全 生 产 监 督 ...
光气及光气化工艺特种作业人员安全生产培训大纲及考核标准1范围本标准规定了光气及光气化工艺特种作业人员培训的要求,培训和再培训的内容...

