广东业豪 QTZ63(5013)塔机 第 1 页 共 76 页 目 录 第一篇 概 述 ...........................................................
QTZ5515 自升式塔式起重机安装施工方案 一.塔机概况: 塔机情况如下: 1.塔机型号:QTZ5515 自升式塔式起重机 2.塔机生产厂家:广西建工...
QTZ40塔式起重机使用说明书
QTZ160(6518)塔式起重机使用说明书
QTZ100(TC6013)塔式起重机使用说明书 第一章 概述 QTZ100 ( TC6013 )塔式起重机(以下简称起重机)是济南建工机械有限公司根据国...
文件编码:GC10Z-305-2008 文件名称:CC2800-1履带吊塔式超起工况安装作业指导书 目 录 1 工程概况及工程量 ..........................
编号:GDAQ21311广东省建筑工程塔式起重机安装检验评定报告备 案 编 号:告知受理号 :工 程 名 称:广州亚运城自编号D地块基坑支护...
塔 式 起 重 机 安 装 拆 卸工 (建 筑 特 殊 工 种 )证 考 试 题 库 及 答 案 1、【单选题】140 吨的起重机可以由...
塔 式 起 重 机 安 装 拆 卸工 (建 筑 特 殊 工 种 )考 试题 库 含 答 案 1、【单选题】《建筑施工塔式起重机安装、...
塔 式 起 重 机 司 机 (建 筑 特 殊 工 种 )作 业考试 题 库 及 答 案 1、【单选题】《安全生产法》所指的危险物品包...
塔式起重机结构及PLC 控制虚拟仿真实验 一.实验名称 塔式起重机结构及PLC控制实验 二.实验目的 通过对塔式起重机金属结构的认知,掌...
下载后可任意编辑谈谈塔式起重机安装方案的编制与贝雷片支架现浇梁施工安全专项方案汇编谈谈塔式起重机安装方案的编制为了法律规范机电类特...
下载后可任意编辑谈谈塔式起重机安装方案的编制与负责软件开发辞职报告汇编谈谈塔式起重机安装方案的编制为了法律规范机电类特种设备安装、...
中联重科塔式起重机TC6013A6使用说明书
中联塔式起重机TC6020A说明书
中联TC56106塔式起重机使用说明书
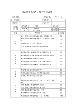
塔式起重机顶升、加节验收记录工程名称 :验收日期:年 月 日安、拆装单位作业负责人塔机型号产权登记号塔式起重机起升高度幅度起重力矩...
建筑施工塔式起重机安装、使用、拆卸安全技术规程JGJ 196-2010 1 总则1.0.1 为贯彻安全第一、预防为主、综合治理的方针,确保塔式超重机...
设备型号设备生产厂工程名称工程地址序号结果备注1合格2合格3合格序号结果备注1合格2合格3合格4合格5合格6合格7合格8无此项9合格100.50%无...
四川省2 02 4 年平安工程师平安生产:塔式起重机的轨道的纵横向不平度如何规定考试题� 一、单项选择题(共 2 5 题,每题2 分,每...

