消防控制室值班操作手册太仓市源控消防服务中心二〇一六年八月目录一、制度汇编⋯⋯⋯⋯⋯⋯⋯⋯⋯⋯⋯⋯⋯⋯⋯⋯⋯⋯⋯2消防控制室日常管...
消防控制室个人工作总结篇一:消控室年终总结XX年度工作述职报告回首 XX 年在这一年时间里, 学到了很多东西, 在各位高管层、各部门经理...
消防 8 个制度目录1、消防控制室管理及应急程序· · · · · · · · · · · · · · · ·· · · · · ·...
消防安全责任人职责太古城 ·英皇之都消防安全责任人应当履行下列消防安全职责:一、贯彻执行消防法规,保障单位消防安全符合规定,掌握本...
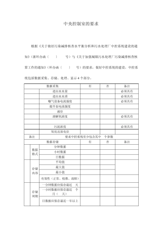
中央控制室的要求 根据《关于做好污染减排核查水平衡分析和污水处理厂中控系统建设的通知》(浙环办函〔2010〕410号)与《关于加强城镇污...
消防控制室操作规程1、打开全部控制器电源,等待主机自检完毕,检查器件、设备有无火警或故障状况。如有,则需对照竣工图纸及主机显示屏提供...
消防限制室标准化治理档案单位名称河北金藁新能源建档时间 2021 年 5 月 为增强我省消防限制室标准化治理工作,根据?消防控 制室通用...
下载后可任意编辑消防控制室规章制度 有用标准文案 消防控制室管理制度 一、消防控制室值班人员应严格遵守消防控制室的各项安全操作规程...
下载后可任意编辑消防控制室规章制度 有用标准文案 消防控制室管理制度 一、消防控制室值班人员应严格遵守消防控制室的各项安全操作规程...
下载后可任意编辑消防控制室自动消防设施操作规程消防控制室自动消防设施操作规程 (一)固定消防设施是发现和扑救初期火灾的重要设施,必...
下载后可任意编辑XXXX 制度消防控制室管理制度 一、消防控制室工作人员应严格遵守消防控制室的各项安全操作规程和各项消防安全管理制度;...
下载后可任意编辑消防控制室自动消防设施操作规程消防控制室自动消防设施操作规程 (一)固定消防设施是发现和扑救初期火灾的重要设施,必...
下载后可任意编辑XXXX 制度消防控制室管理制度 一、消防控制室工作人员应严格遵守消防控制室的各项安全操作规程和各项消防安全管理制度;...
仅供参考 [整理 ] 第 1 页 共 3 页安全管理文书搅拌站控制室操作人员岗位职责日期: __________________单位: ________________...
成都艾尔普气体产品有限公司10 万 Nm3/h 制氢装置(含合成气)项目控制室砖砌体、装饰装修、屋面工程施工方案1 目录1.0 工程概况 ......
ICS 13.220.10 C 81 中华人民共和国公共安全行业标准 GA 767— 2008 消防控制室通用技术要求 General technical requirements ...
消防控制室管理制度 1 、 消防控制室工作人员应严格遵守消防控制室的各项安全操作 规 程和各项消防安全管理制度; 2 、 消防控制室...
职 业技术学院 消防控制室搬迁工程 施 工 组 织 设 计 审核: 审批: 编制: 目 录 第 一 章 、工程概况 第 二章 、施...
1 消防控制室相关规范要求(附管理制度) 一、《建设设计防火规范》GB50016-2014(2018 年版) 6.2.7 附设在建筑内的消防控制室、灭火设备...
DBxx 河 南 省 地 方 标 准 DBX X /X X X X -2011 消防控制室消防安全管理规范 Fire control room fire safety regul...

