第1页共20页编号:时间:2021年x月x日书山有路勤为径,学海无涯苦作舟页码:第1页共20页非常难得的服装陈列知识(二)如何争取到好的陈列位...
高层十字柱项目工程钢结构施工方案方案第()号编制:审核:审批:目录1.工程概况.........................................................
非常女生的读后感学习心得我是杨红樱阿姨的小樱桃,我最喜欢的就是杨红樱阿姨著的非常女生,非常女生读后感。我喜欢魅力女生冉东阳,她温柔...
第1页共53页编号:时间:2021年x月x日书山有路勤为径,学海无涯苦作舟页码:第1页共53页非常男女炫公寓整合营销推广策略书新都市主义致力于...
高速公路品质通病操纵要点〔特不完好〕第一章路基工程一、填方路基滑坡、塌陷1、表不美不雅景象在半填半挖路段或逾越深沟、峡谷的高填方路...
项目销售经理手册安佳从业精神理想激情团队协作项目销售经理手册安佳客户服务精神伙伴关系专家服务安佳工作作风不讲不行的理由,只找能行的...
深圳市轨道交通XXXX高架区间挡板施工方案编制:审核:审批:中铁XXX经理部2008年9月20日1.工程概况深圳市轨道交通XXX桥梁全部位于205国道中...
非常男女炫公寓整合营销推广策略书新都市主义致力于在城市的中心创造最适宜的人居空间;新都市主义理论呼吁的是人性的回归;新都市主义理论...
非常完美观后感导演金依萌自《非常完美》之后,携同类型题材的都市白领女性喜剧电影《一夜惊喜》归来。如果说前者在追求绚丽多彩的服饰效果...
非常女生的读后感我读了一本书出自杨红樱老师笔下的一本书——《非常女生》,这本书告诉了我很多知识,并让我认识了许多朋友,如:魅力女孩...
•邀约非常五步曲概述•邀约的准备阶段目录•邀约的开场阶段•邀约的深入阶段•邀约的收尾阶段•邀约非常五步曲的实用技巧和策略邀约非常五...
2.没有人会为了你的未来买单,你要么努力向上爬,要么烂在社会最底层的泥淖里,这,就是生活。3.所有牛逼背后都是苦逼堆积的坚持;所有苦逼...
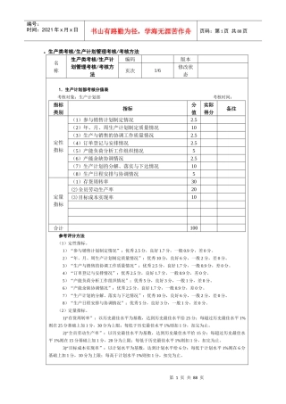
第1页共88页编号:时间:2021年x月x日书山有路勤为径,学海无涯苦作舟页码:第1页共88页。生产类考核/生产计划管理考核/考核方法名称生产类...
•Matlab70简介•Matlab70作图实例分析•Matlab70作图技巧和注意事项Matlab70的发展历程1980年代初11990年代232000年代至今Matlab70的主要...
第1页共31页编号:时间:2021年x月x日书山有路勤为径,学海无涯苦作舟页码:第1页共31页广告人非常值得一看!2007-03-3014:33:21来自:(大连...
第1页共13页编号:时间:2021年x月x日书山有路勤为径,学海无涯苦作舟页码:第1页共13页德国法中撤销与非常解除劳动关系的区别「摘要」劳动...
尿路感染全面研究护理课件•尿路感染概述目录•尿路感染的预防与控制•尿路感染的药物治疗与护理•尿路感染患者的营养与护理•尿路感染的康...
第1页共8页编号:时间:2021年x月x日书山有路勤为径,学海无涯苦作舟页码:第1页共8页平常渠道非常控制——娃哈哈集团市场营销案例2001...
中国邮政储蓄银行湖北省分行公司业务同城票据交换业务操作规程1业务概述同城票据交换是为了满足收、付款人在同一城市或规定区域但不在同一...
第1页共57页编号:时间:2021年x月x日书山有路勤为径,学海无涯苦作舟页码:第1页共57页膁薄蚀螈芃蒇薆螇莅芀袅螆肅蒅螁螅膇芈蚇螄芀蒄薃袄...

