整理和复习(第 66~67 页)编写意图(1)本单元的复习与整理包括两个方面的内容:一是乘法口诀表的整理;二是乘法算式的整理。(2)第 1 ...
群众路线学习心得:“4 风”问题的具体表现 在全党深入开展的为民务实清廉为主要内容的党的群众路线教育实践活动,受到了社会各界的高度...
经信委“两学一做”学习安排具体方案 公司“两学一做”学习安排具体方案 为推进全面从严治党,根据徐矿集团党委相关文件要求,按照区分层...
下载后可任意编辑村党支工作具体打算与村党支部 2024 年工作计划汇编村党支工作具体打算一、加强组织建设,提高党组织的战斗力、凝聚力1...
下载后可任意编辑村党支工作具体打算与村党支部 2024 年党建工作计划汇编村党支工作具体打算一、加强组织建设,提高党组织的战斗力、凝聚...
下载后可任意编辑村党支工作具体打算与村党支部 2024 工作计划(1)汇编村党支工作具体打算一、加强组织建设,提高党组织的战斗力、凝聚力1...
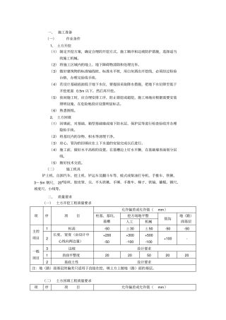
电缆沟的具体设计规范直埋电缆线路工艺标准一、总则1.1 目的:为使电缆线路分项工程施工作业规范化,促进施工技术进步,确保施工质量,制...
新时期共产党先进性的具体表现心得体会 新时期共产党先进性的具体表现 共产党员的先进性是具体的、历史的,在不同的时代有不同的内容和不...
心得体会:新时期共产党先进性的具体表现 党员先进性谈心记录 共产党员的先进性是具体的、历史的,在不同的时代有不同的内容和不同的体现...
新时期共产党员先进性的具体体现心得体会 共产党员先进性,是共产党员先锋模范作用在不同历史时期的集中体现。保持共产党员先进性,是加强...
下载后可任意编辑技术总监岗位职责具体概述___对门店技术进行条线管理。2.统筹协调能力及逻辑思维能力强,能不断的优化技术部操作流程,根...
下载后可任意编辑房管局三送工作计划与房管局优化环境具体措施和承诺汇编房管局三送工作计划一、工作重点在镇党委、政府的领导下,在各村“...
《江苏湖塘纺织产业交易中心》开盘具体计划的制定一、开盘日期之推荐2 月 29 日 星期日 农历初十,宜交易、纳财3 月 1 日 星期一...
下载后可任意编辑开展评选活动具体细则与开幕式主持词(党代会会议程序主持之七)汇编开展评选活动具体细则一、评选范围凡在年月日至年月日...
下载后可任意编辑开展评选活动具体细则与开展非法建筑监管整治通知汇编开展评选活动具体细则一、评选范围凡在年月日至年月日期间,开发区辖...
下载后可任意编辑开展评选活动具体细则与开拓进取甘于无私奉献演讲稿汇编开展评选活动具体细则一、评选范围凡在年月日至年月日期间,开发区...
文章是由句子组成的,句子是文章的基础。要写好作文,就要练习写好句子。学习把句子写完整、写通顺、写连贯、写具体⋯⋯。把句子的基本功练...
. . . ... .. .. z. 如何把句子写完整、具体、通顺、连贯点击数: 673 次编辑 : 语文_sj 文章来源:未知更新时间: 2011-03-1...
如何全面理解具体问题具体分析具体问题具体分析是《生活与哲学》学习中的一个重点和难点,它是指在矛盾普遍性原理的指导下,具体地分析矛盾...
. . . . 参考教学及管理培训具体操作流程及要求一、如何开好早会:(一)目的: 1 、让教师感觉到自己首先是一名教师,找到作为教师...

