电子商务教学团队建设具体措施1、根据高职高专教育的特点,继续深化工学结合的人才培养模式改革“3111”人才培养模式的规划模式(如下图)...
扶贫走访贫困户及非贫困户具体报告根据扶贫工作队相关要求,现将走访的贫困户及非贫困户具体情况汇报如下:一、贫困户张文,缺资金致贫,夫...
开展生本教育的具体做法三、先进理念是生本的指南,充分准备是生本的前提,积极践行是生本的保证作为一线老师,我更关注生本教育操作层面的...
工业发展情况具体汇报20XX年工业经济发展情况汇报近年来,我区认真贯彻落实市委、市政府发展工业学**战略部署,牢固树立工业强区理念,深入...
浅议施工现场进行施工项目管理的具体方法摘要:本文从施工现场如何组织项目管理展开了讨论,就科学的施工组织设计、施工现场管理、原材料、...
目录车间级安全教育内容:1、本部门的安全生产状况及安全职责;2、本部门工作环境,特点及危险因素;3、所从事工种(电工、焊工)的安全职...
节能减排具体措施【办公室节能减排措施】办公室节能减排措施篇一1、推广使用节能灯以节能灯代替白炽灯,可节省高达70%至80%的电力。一只11...
第1页共29页编号:时间:2021年x月x日书山有路勤为径,学海无涯苦作舟页码:第1页共29页质量意识培训教材如果问大家,公司靠什么生存?大家...
SIXSIGMA策略理念说明与具体施方法讲解3-1测定:目标指针化与设定品质评价基准3-2分析:全公司最适化的调整与核心优势评价3-3改善:持绩性...
随着社会经济的展开,女性各方面的位置得到不时进步,由其是城市女性进步的幅度更大。女性早已号称为社会的半边天、家庭的半边天,大多女性...
第1页共30页编号:时间:2021年x月x日书山有路勤为径,学海无涯苦作舟页码:第1页共30页ThreePhasePowerQualityAnalyzerFluke435使第2页共3...
审计报告的规范文本根据国家电力监管委员会令第六号《承装(修、试)电力设施许可证管理办法》(以下简称6号令)、《关于印发〈承装(修、...
内部审计具体准则内部审计具体准则第1号——审计计划第一章总则第一条为了规范内部审计人员编制审计计划,保证及时、有效地执行审计业务,...
第1页共39页编号:时间:2021年x月x日书山有路勤为径,学海无涯苦作舟页码:第1页共39页有关四大审计具体步骤的文章<1>思考任何一件事的合...
第1页共76页编号:时间:2021年x月x日书山有路勤为径,学海无涯苦作舟页码:第1页共76页有关四大审计具体步骤的文章<1>思考任何一件事的合...
第104页共20页编号:时间:2021年x月x日书山有路勤为径,学海无涯苦作舟页码:第104页共20页第十一章财务分析〖授课题目〗本章共分六部分:...
第1页共41页编号:时间:2021年x月x日书山有路勤为径,学海无涯苦作舟页码:第1页共41页1企业会计准则第7号——非货币性资产交换第一章总则...
大学生职业生涯规划书系别:学号:班级:姓名:性别:手机:E-mail:2013年6月20日一、自我分析注:通过对自己进行全方位、多角度的分析,进...
我们来听故事啦!作文训练----如何把一件事写具体学习目标1、学会写生活中发生的一件事。2、学习把一件事的“经过”写具体。片断展示同学们...
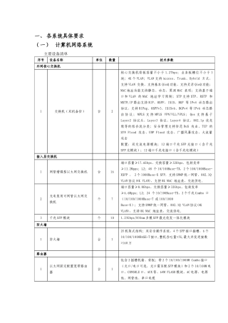
一、各系统具体要求(一)计算机网络系统主要设备清单序号设备名称单位数量技术参数外网核心交换机1交换机(双机备份)台2核心交换机背板容...

