轮胎螺栓力矩拧紧课件•轮胎螺栓力矩拧紧简介•轮胎螺栓力矩拧紧原理•轮胎螺栓力矩拧紧的实践操作•轮胎螺栓力矩拧紧的质量控制•轮胎螺栓...
橡胶轮胎行业发展现状及推动行业发展的对策建议橡胶轮胎业是我省的优势产业,近几年,受国际国内大形势、大环境的变化影响,橡胶轮胎企业面...
金宇U9-ERP项目初始化配置指导书金宇轮胎集团有限公司U9-ERP系统初始化配置参考方案-基础金宇U9-ERP项目初始化配置指导书目录目录..........
青岛科技大学本科毕业设计(论文)题目____________________________________________________________________指导教师__________________...
夏季轮胎保养高温多雨,保养爱车有章可循爱车在每个季节都应有相应的保养,尤其是炎炎夏日。在这个多雨的季节,车主们应该如何爱护自己的爱...
利用废旧轮胎年产8000吨胶粉建设项目可行性研究报告目录第一章总论.................................................11.1项目背景..........
第1页共4页【仅供参考】轮胎销售年终总结范文部门:_________姓名:_____________年___月___日(此文内容仅供参考,可自行修改)轮胎销售年...
空气压缩机安全使用操作规程1、应在安全阀限定压力和规定排气量的条件下使用设备。2、必须保证空压机使用现场环境的清洁和通风,严禁在空气...
第1页共9页编号:时间:2021年x月x日书山有路勤为径,学海无涯苦作舟页码:第1页共9页废橡胶轮胎提取炭黑和轮胎油的可行性分析报告一.项目...
第1页共9页编号:时间:2021年x月x日书山有路勤为径,学海无涯苦作舟页码:第1页共9页《废旧轮胎综合利用指导意见》(工业和信息化部公告工...
轮胎销售工作计划格式样本导语:计划是行政活动中使用范围很广的重要公文。机关、团体、企事业单位的各级机构,对一定时期的工作预先作出安...
第1页共8页编号:时间:2021年x月x日书山有路勤为径,学海无涯苦作舟页码:第1页共8页1、工程概况本工程为年产40万套载重子午线轮胎项目技...
天津职业技术师范大学(成人高等教育)毕业论文题目浅谈高速公路轮胎的安全使用学生姓名李威年级教学单位专业汽车检测与维修技术指导教师评...
此资料由网络收集而来,如有侵权请告知上传者立即删除。资料共分享,我们负责传递知识。轮胎买卖合同样本轮胎买卖合同购方:(以下简称甲方)...
第1页共6页编号:时间:2021年x月x日书山有路勤为径,学海无涯苦作舟页码:第1页共6页轮胎硫化工艺条件的优化随着我国高速公路的发展和汽车...
第1页共52页编号:时间:2021年x月x日书山有路勤为径,学海无涯苦作舟页码:第1页共52页1绪论近年来,随着我国汽车工业的发展,与之处于同...
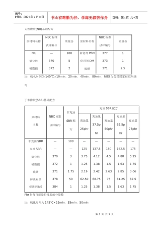
第1页共9页编号:时间:2021年x月x日书山有路勤为径,学海无涯苦作舟页码:第1页共9页天然橡胶(NR)基础配方原材料名称NBC标准试样编号质量...
成都家电维修www.jiayouweixiu.comqtekc浅析轮胎安装/使用/维修全攻略你购车的时候会关注轮胎吗你维修保养时会想到轮胎吗轮胎作为汽车最重...
第1页共7页编号:时间:2021年x月x日书山有路勤为径,学海无涯苦作舟页码:第1页共7页轮胎活络模具的运动仿真作者:广东巨轮模具股份有限公...
连云港市华胜汽车修理服务中心轮胎谈判报价表(一)地址:连云港市新浦区朝阳西路56号联系人:掌云华联系电话:85102121单位:元序号品牌规...

