合成氨制造过程中的这些危险,你知道多少?氨(NH3)常态下是有特殊气味的强刺激性气体,密度0.771克/升(标准状况),相对密度为0•5971(...
施工现场重大危险源辨识及控制施工现场重大危险源辨识及控制序号作业活动危险因素可能导致的事故控制措施1土方开挖基坑发生整体或局部土体...
国家危险废物名录年月日实施【分类号】【标题】国家危险废物名录【时效性】有效【颁布单位】国家环境保护局【颁布日期】【实施日期】【失效...
水好玩也很危险教学课件目录•水的特性和吸引力•水的娱乐方式•水的危险•安全技巧和预防措施01水的特性和吸引力纯净的水是无色透明的,这...
第十七课沈阳在每年的9月18号都要拉响防空警报,提醒国民,勿忘国耻!事变名称时间地点简单经过结果九一八事变1,全部沦陷2,中国人民开始...
危险化学品建设项目申请材料要求汇总危险化学品建设项目设立安全审查申请资料清单(企业对提交资料的真实性负责)1.建设项目安全许可申请文...
危险化学品安全标语1.安全第一,预防为主。生命宝贵,安全第一。2.安全生产,人人有责。遵章守纪,保障安全。3.安全是幸福的保障,治理隐患...
.专业资料.应急预案编号:GMRJ-YA-2017应急预案版本号:A-2XXXXX物流有限公司危险货物道路运输事故应急预案编制单位:XXXXX物流有限公司签...
危险化学品事故应急预案演练总结报告危险化学品事故应急预案演练预案一、总则1.1编制目的加强对危险化学品事故的有效控制,最大限度地降低...
关于在用液体危险货物罐车加装紧急切断装置有关事项的通知各省、自治区、直辖市及新疆生产建设兵团安全生产监督管理局、工业和信息化主管部...
此资料由网络收集而来,如有侵权请告知上传者立即删除。资料共分享,我们负责传递知识。危险化学品生产储存建设项目安全审查办法《危险化学...
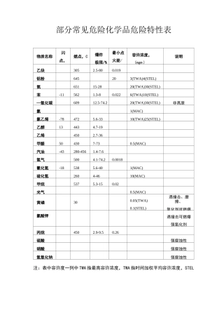
部分常见危险化学品危险特性表物质名称闪点,°C燃点,C爆炸极限/%最小点火能/mj容许浓度,(mgm-)说明乙炔3052.5-800.019铝粉645203(TWA)4(...
第1页共23页2024年呼和浩特危险货物道路运输从业人员模拟考试题1、气瓶卸货时,不得溜放、摔惯。()A、正确B、错误答案:A2、运输盛装碳化钙(...
第1页共3页2024年重大危险源识别、评价、监控及安全管理制度在____年,重大危险源识别、评价、监控及安全管理制度将起着至关重要的作用。面...
此资料由网络收集而来,如有侵权请告知上传者立即删除。资料共分享,我们负责传递知识。危险作业管理细则安监总局发布了第64号总局令,公布...
危险化学品工作总结xxxx年,在县委、县政府的正确领导下,在杨局长及局领导班子直接带领下和市局危化科的指导下,我们认真贯彻国家有关法律...
钻井工程危险源辨识清单汇总人审核人审批人2018年3月一、安全危害识别和风险评价方法3二、钻井重点工序危害识别和风险防范10(一)搬迁安装...
此资料由网络收集而来,如有侵权请告知上传者立即删除。资料共分享,我们负责传递知识。危险化学品泄漏应急响应和处置措施《化工安全》从化...
危险废物应急救援演练总结[5篇]江苏建农植物保护有限公司危废突发事故应急救援演练方案为保护公司员工生命和财产的安全,检验公司应急救援...
此资料由网络收集而来,如有侵权请告知上传者立即删除。资料共分享,我们负责传递知识。危险废物委托合同范文随着工业的发展,工业生产过程...

