山东省银河伟业物业管理有限责任公司目录第一部分公司管理制度····································...
第1页共8页编号:时间:2021年x月x日书山有路勤为径,学海无涯苦作舟页码:第1页共8页顺兴达电讯器材有限公司工程部职责文件编号:SXD-P015...
第1页共5页编号:时间:2021年x月x日书山有路勤为径,学海无涯苦作舟页码:第1页共5页部门:工程部职务:经理上司:总经理助理下属:工作资...
第1页共9页编号:时间:2021年x月x日书山有路勤为径,学海无涯苦作舟页码:第1页共9页工程部维修领班岗位工作说明书岗位名称工程部维修领班...
第1页共2页编号:时间:2021年x月x日书山有路勤为径,学海无涯苦作舟页码:第1页共2页工程部管理人员考核表(分部经理、主管、领班)项目考...
土建工程师职务说明书岗位名称土建工程师岗位编号所在部门工程部岗位定员直接上级工程部长职系直接下级无所辖人员无岗位分析日期2001年11月...
关于印发《2009年度7月份工作完成情况及8月份工作计划》的通知公司领导、各部门:××××有限公司2009年度67月份工作完成情况和8月份工作...
第1页共9页编号:时间:2021年x月x日书山有路勤为径,学海无涯苦作舟页码:第1页共9页锡盟元和路桥管理有限公司上都至十五号一级公路工程部...
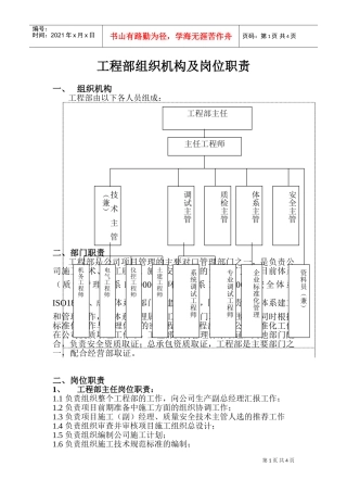
第1页共4页编号:时间:2021年x月x日书山有路勤为径,学海无涯苦作舟页码:第1页共4页工程部组织机构及岗位职责一、组织机构工程部由以下各...
第1页共5页编号:时间:2021年x月x日书山有路勤为径,学海无涯苦作舟页码:第1页共5页工程部工作人员素质要求岗位知识要求能力要求经历要求...
第1页共22页编号:时间:2021年x月x日书山有路勤为径,学海无涯苦作舟页码:第1页共22页工程部岗位设置及人员编制方案恩富酒工程〔2010〕1...
第16页共39页编号:时间:2021年x月x日书山有路勤为径,学海无涯苦作舟页码:第16页共39页工程部操作程序ENGDEPTOPERATIONPROCEDURE一、每...
第1页共7页编号:时间:2021年x月x日书山有路勤为径,学海无涯苦作舟页码:第1页共7页信息工程部绩效评估表员工:龙明评估期间:4.1-4.30直...
第1页共16页编号:时间:2021年x月x日书山有路勤为径,学海无涯苦作舟页码:第1页共16页题目Heading内容Content年初预算情况(1月-12月)InBu...
第1页共35页编号:时间:2021年x月x日书山有路勤为径,学海无涯苦作舟页码:第1页共35页工程部经理岗位职责标准报告上级:总经理督导下级:...
第1页共88页编号:时间:2021年x月x日书山有路勤为径,学海无涯苦作舟页码:第1页共88页北京中亚远恒物业管理有限公司工程部工作手册目录章...
工程部职务说明书文件类别:三级文件文件编号:01-024A版本:A制定日期:2003.10.10生效日期:2003.10.20内容页数:A4/11页□非受控(盖章)□受...
第1页共2页编号:时间:2021年x月x日书山有路勤为径,学海无涯苦作舟页码:第1页共2页岗位说明书一、岗位基本资料岗位名称工程部财务主管所...
翔天置业职能规定目录一、主管副总工作职责范围…………………………………(第2页)二、总工程师工作职责范围…………………………………...
ACFC第一次发布Rev.修改版Status状态Draftedby编制人Reviewedby审核人Modification-Observation修订-评语Approvedby批准人Date日期CHINANUC...

