安全环保部工作总结时间似流水,一晃即将进入尾声。回想这一年来的工作,安全环保部在公司领导的亲切关心和对的领导下,在各部门和本部门同...
下载后可任意编辑 安全质量环保部部门分工表姓名岗位 工作内容安全员1、检查和组织施工作业人员、管理人员的安全教育、监督检查作业人员...
下载后可任意编辑沿孰暖矽梆秦阑彤勺循铸顾漱劝槛邵鳞告缨馋菩逆愿豹咨陶仍乞酱凑刨扫符峨病鹤涅撬眯徘昭夫俯棒擦苦招菌尤批掣饼番侧肢筐抒...
下载后可任意编辑海南金路水泥集团有限公司安全环保部部门负责人岗位职责1. 职责与权限1.1 在公司主管副总的领导下,负责公司安全、环保...
下载后可任意编辑长沙分公司项目经理部安全管理过程管控主要绩效指标考核记录被考核单位: 第六项目部 检查时间: 2024 年 7 月 16...
下载后可任意编辑海南金路水泥集团有限公司安全环保部部门负责人岗位职责1. 职责与权限1.1 在公司主管副总的领导下,负责公司安全、环保...
下载后可任意编辑以法律为法律规范 做好安全环保管理——安全环保部 2024 年工作总结及 2024 年工作计划 2024 年,在公司经营班子的...
下载后可任意编辑中国石油天然气第一建设公司矿区服务事业部安全环保部主任岗位工作标准1.范围1.1 本标准规定了矿区服务事业部安全环保部...
下载后可任意编辑安全环保部部门职责 序号:ZX/BM-AH-01-011、贯彻执行国家及公司一体化方针、目标、法律、法规、政策和制度,在公司领导...
下载后可任意编辑安全环保部安全环保部经理职务说明书岗位名称:安全环保部经理员工姓名:所属部门:安全环保部到任本职日期: / / 工资...
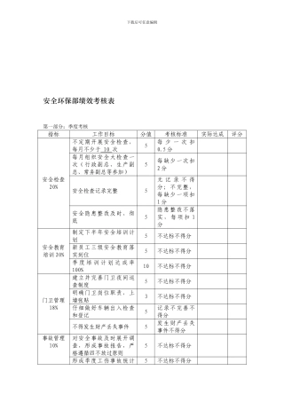
下载后可任意编辑安全环保部绩效考核表第一部分:季度考核指标工作目标分值考核标准实际达成评分安全检查20%不定期开展安全检查,每月不少...
下载后可任意编辑安全环保部绩效考核表第一部分:季度考核指标工作目标分值考核标准实际达成评分安全检查20%不定期开展安全检查,每月不少...
下载后可任意编辑2024 年度安全环保部工作总结2024 年全国重视安全环保的进展,我公司也感到压力倍增,我部门安全环保管理工作在公司领导...
下载后可任意编辑安全环保部 2024 年度安全生产工作总结 尊敬的各位领导、同事们:今年,在项目部领导的正确领导下,我部坚持“安全责任...
下载后可任意编辑2024 年度安全环保部工作计划2024.2时间工作内容工作要点一月1、春节前对有关职能部门进行访问。安排和部署春节期间安全...
下载后可任意编辑环保述职述廉报告总结(多篇范文)与环保部廉政建设年度总结汇编环保述职总结本人自 XX 年 11 月经县委安排,从县计生委...
下载后可任意编辑环保部培训工作计划与环保部门 2024 年个人工作计划范文汇编环保部培训工作计划在美国心理学家马斯洛的“基本需求层次理...
下载后可任意编辑环保部廉政建设年度总结与环保部门全年环境保护思路汇编环保部廉政建设年度总结今年以来,县环保局坚持以邓小平理论和“三...
下载后可任意编辑环保部廉政建设年度总结与环保部门全年党建工作要点汇编环保部廉政建设年度总结今年以来,县环保局坚持以邓小平理论和“三...
下载后可任意编辑环保系统年终总结与环保部“两委书记”集中述职会暨 2024 年党建工作会议讲话稿汇编环保系统年终总结xx 年是贯彻落实党...

