电脑桌面
添加小米粒文库到电脑桌面
安装后可以在桌面快捷访问
标签“固定资产管理制度”的相关文档,共3条
  • 《固定资产管理制度》

    固定资产管理制度

    固定资产管理制度】制度概况制度编号【XZ-GZ-CT20】版本编号【1.0】生效日期2012-11-01密级程度■普通口秘密□机密口绝密目的为加强公司固...

    2025-03-21发布120 浏览10 页26 次下载28.17 KB
  • 《固定资产管理制度》附件

    固定资产管理制度》附件VIP

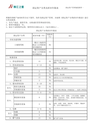
    固定资产分类及折旧年限表 固定资产管理制度附件一折旧年限(年)残值率(%)备注一、房屋及建筑物一般以土地使用权证上注明的使用年限折...

    2024-12-18发布63 浏览6 页23 次下载191.22 KB
  • 《固定资产管理制度》

    固定资产管理制度VIP

    下载后可任意编辑【固定资产管理制度】制度概况制度编号【 XZ-GZ-C-120 】版本编号【 1.0 】生效日期2024-11-01密级程度■ 普通 □ ...

    2024-12-04发布138 浏览8 页6 次下载179.5 KB
确认删除?
VIP
微信客服
  • 扫码咨询
会员Q群
  • 会员专属群点击这里加入QQ群
客服邮箱
回到顶部