电脑桌面
添加小米粒文库到电脑桌面
安装后可以在桌面快捷访问
标签“7136”的相关文档,共3条
  • 7136数显温度计

    7136数显温度计

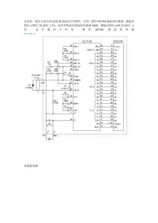
    在这里,我向大家介绍LCD 数显温度计的制作。它用二极管 IS1588 做温度传感器,测温范围在+150°C 到-20°C 之间,如采用集成电路温度...

    2025-01-26发布148 浏览9 页8 次下载927.82 KB
  • 期货经纪合同7136

    期货经纪合同7136

    下载后可任意编辑期货经纪合同 7136期货经纪合同下载后可任意编辑甲方:_________乙方:_________甲、乙双方经过平等协商,就甲方为乙方提...

    2024-12-31发布116 浏览88 页13 次下载86 KB
  • 期货经纪合同7136

    期货经纪合同7136VIP

    下载后可任意编辑期货经纪合同 7136期货经纪合同甲方:_________乙方:_________甲、乙双方经过平等协商,就甲方为乙方提供期货交易服务的...

    2024-12-09发布190 浏览88 页4 次下载90 KB
确认删除?
VIP
微信客服
  • 扫码咨询
会员Q群
  • 会员专属群点击这里加入QQ群
客服邮箱
回到顶部