电脑桌面
添加小米粒文库到电脑桌面
安装后可以在桌面快捷访问

7136数显温度计

7136数显温度计_第1页
1/9
7136数显温度计_第2页
2/9
7136数显温度计_第3页
3/9
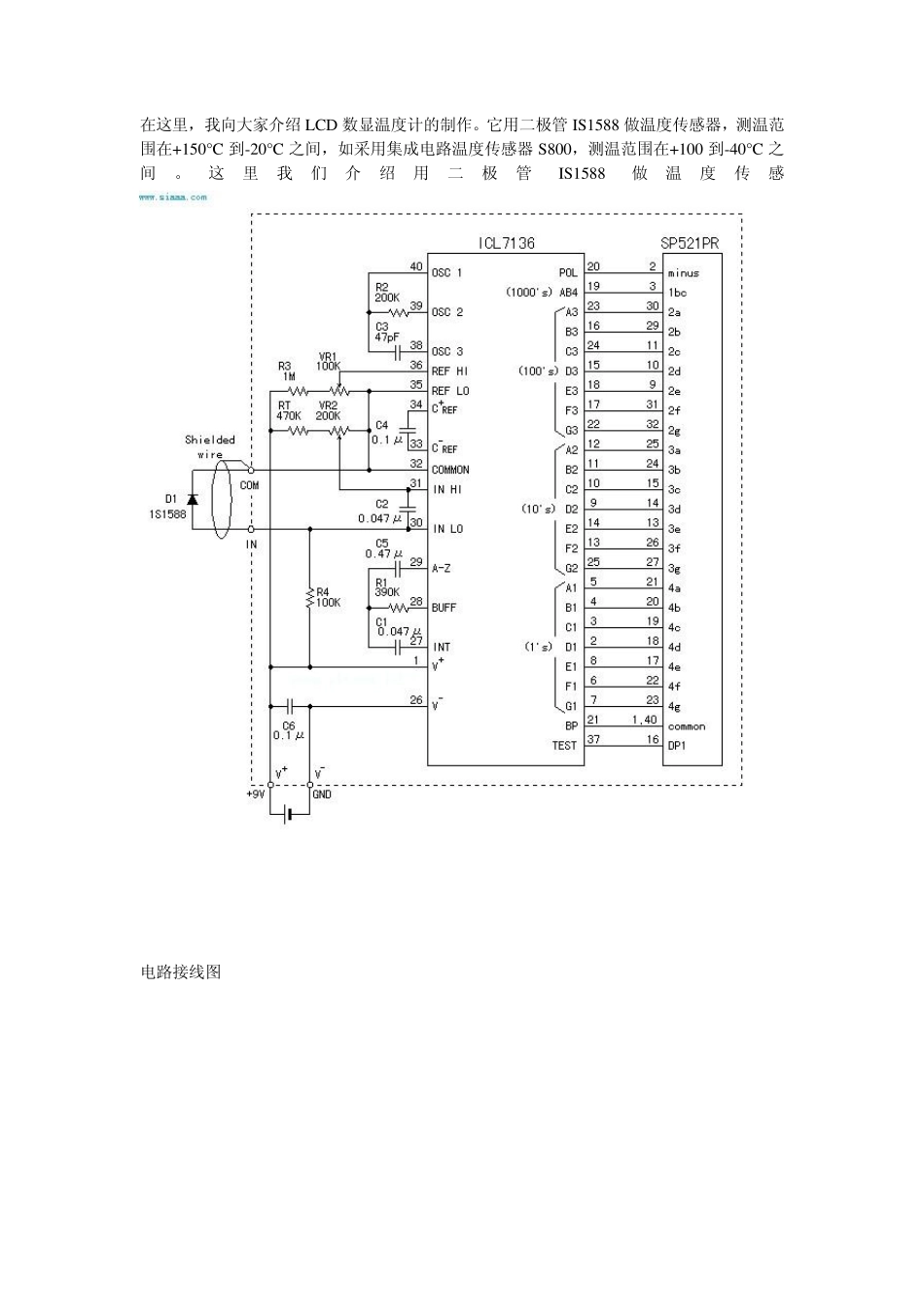
在这里,我向大家介绍LCD 数显温度计的制作。它用二极管 IS1588 做温度传感器,测温范围在+150°C 到-20°C 之间,如采用集成电路温度传感器 S800,测温范围在+100 到-40°C 之间。这里我们介绍用二极管IS1588做温度传感 电路接线图 注:橄榄绿颜色的线表示连线在元件侧。R4 (绿)为附加的元件。红色的线为附加的小数点连线。粉红色的线表示外接器件。 工作原理介绍 下面的将用提问的方式来解释这款数显温度计的工作原理。但愿这样可能让人更容易理解其原理。 为什么可以用二极管来测量温度? 我们知道,硅二极管有个特性是:当环境温度改变时,其 PN 结的正向电压降 Vf 以-2mV/°C 改变(如右图示)。通常,20°C 时,其 Vf 约 600mV。当环境温度增加 100°C 时,既从 20°C 变化到 120°C 时,这时其正向电压降 Vf 约为 400mV(600mV-(2mV/°C*100°C))。这里介绍的温度计,就是检测二极管 Vf 电压的变化来实现温度检测。由此可以看出,电路的测温范围取决于二极管许可的工作范围。不同的二极管测温范围不同,但大多数的二极管可以测量的范围在-20°C 到 150°C 左右。还有,由于的二极管的一般都有玻璃或塑料材料封装,所以但环境温度变化时,二极管的Vf 不会很快改变。i ICL7136 是什么样的集成电路? ICL7136 是一种用于测量输入电压的CMOS 型集成电路。它内部包含驱动LCD(Liquid Crystal Display)液晶显示屏电路。测量电压范围在±200 mV 到±2 V 之间。另外,另一种功能类似集成电路ICL7137 可以直接驱动LED 数码显示管。LCD 的控制信号是频率为60 Hz(48KHz/800)、电压为5.5Vp-p 的方波信号。 测量的输入电压被转换成一定时间下的电能(即电容的放电时间)。当测量时,电路不会从输入部分吸取能量。因为这些,输入阻抗非常高(大于1G 欧姆),输入电子流很小。 ICL7136 测量过程如右图所示在1 秒内约有 3 次。 4000 时钟/次 = 4000 x (4/48000Hz) = 0.33 秒/次 在置零阶段,参考电压对(CREF)进行充电,同时设置测量回路为零电压。 在输入的积分阶段,输入电压的能量储存在电容(CAZ)以待测量。 在测量记数阶段,开始对电容(CAZ)放电,同时测量其放电时间并与参考电容(CREF)放电时间进行对比。在测量记数阶段,因为电容(CAZ) 和(CREF)上的能量被放电了,所以最大测量范围可以通过调整(CREF)上储存的电压来改变测量电压量程。在这个温度计中,VR2 用来调整零点...

1、当您付费下载文档后,您只拥有了使用权限,并不意味着购买了版权,文档只能用于自身使用,不得用于其他商业用途(如 [转卖]进行直接盈利或[编辑后售卖]进行间接盈利)。
2、本站所有内容均由合作方或网友上传,本站不对文档的完整性、权威性及其观点立场正确性做任何保证或承诺!文档内容仅供研究参考,付费前请自行鉴别。
3、如文档内容存在违规,或者侵犯商业秘密、侵犯著作权等,请点击“违规举报”。

碎片内容

7136数显温度计

您可能关注的文档

确认删除?
VIP
微信客服
  • 扫码咨询
会员Q群
  • 会员专属群点击这里加入QQ群
客服邮箱
回到顶部