电脑桌面
添加小米粒文库到电脑桌面
安装后可以在桌面快捷访问
标签“润磨机”的相关文档,共3条
  • 润磨机设计本科论文

    润磨机设计本科论文VIP

    1. 引言1.1 润磨机的进展现状1.1.1 国外润磨机的进展现状筒式磨机是目前矿物加工领域应用范围最广、应用数量最多的一类粉磨设备,问世于...

    2025-07-27发布195 浏览37 页2 次下载4.9 MB
  • 润磨机技术协议

    润磨机技术协议VIP

    天津大无缝新矿业有限公司 年产 80 万吨链篦机—回转窑氧化球团工程润磨机技 术 协 议 甲方: 天津市大无缝新矿业有限公司 乙方:...

    2025-04-12发布81 浏览8 页7 次下载88 KB
  • 润磨机设备技术协议书

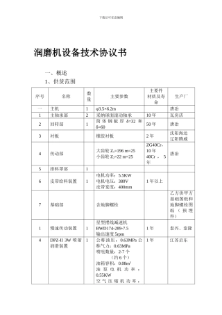
    润磨机设备技术协议书VIP

    下载后可任意编辑润磨机设备技术协议书一、概述 1、供货范围序号名称数量主要参数主要件材质及寿命生产厂一主机1φ3.5×6.2m唐冶1主轴承部...

    2024-12-09发布172 浏览10 页8 次下载48.5 KB
确认删除?
VIP
微信客服
  • 扫码咨询
会员Q群
  • 会员专属群点击这里加入QQ群
客服邮箱
回到顶部