市政基础设施工程 ZJ23单位(子单位)工程竣工验收申请书桓台县建设工程质量监督站 站:我单位建设的 桓台县污水处理厂二期工程 工程,...
单位(子单位)工程竣工验收报告工程名称格来纳塑料科技(苏州)有限公司:厂房二验收日期建设单位格来纳塑料科技(苏州)有限公司(法人章...
********市政排污工程竣工验收自评报告项目经理:技术负责人:******工程公司20xx 年 xx 月 xx 日******市政排污工程竣工验...
XX 工程主体封顶仪式典礼策划方案一、现场布置1、 项目部门外(湟中路主门和三期侧门),上端挂横幅:“青藏铁路花园四期工程Ⅰ标段主体...
青园科技园南区景观亮化工程工程竣工总结湖南**实业集团股份有限公司*****亮化分公司二 O 一二年四月青园科技南区景观亮化工程竣工总...
XXX 工程竣工财务决算审核(计)报告XXX(公司或局):我们接受委托,于 201X 年 X 月 XX 日—XX 日,对 XXX(公司或局)(以下简...
SG-032竣工工程申请验收报告 工程名称建筑面积/工程规模工程地址结构类型/层数建设单位开、竣工日期设计单位合同工期施工单位造价(万元)...
SG—032竣工工程申请验收报告工程名称建筑面积/工程规模工程地址结构类型/层数建设单位开、竣工日期设计单位合同工期施工单位造价(万元)监...
SG—018单 位 工 程 质 量 竣 工 验 收 记 录工 程 名 称光 明 大 厦结 构 类 型框 剪层 数 /建筑 面 积15 层 ...
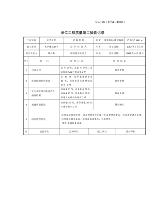
SG-018(原 SG-T001)单位工程质量竣工验收记录工程名称光明大厦结 构 类 型框 剪建筑面积/建筑规模15 层/15000m2施工单位大华建...
路灯工程竣工验收报告工程名称建设单位项目编号:工程概况验收人员组成情况建设单位、监理单位、施工单位相关专业人员和项目负责人竣工工程...
JS—002工程竣工验收告知单 工程名称结构类型/层数框 架建设单位地上/地下层数地勘单位验收部位施工单位工程地址设计单位验收地点监理单...
JS—005 编 号 : 2025—003四 川 省 建 设 工 程竣 工 验 收 备 案 书工 程 名 称 : 天 大 综 合 楼 工 程建...
JS-002工 程 竣 工 验 收 告 知 单工程名称结构类型/ 层数框架建设单位地上/ 地下层数地勘单位验收部位施工单位工程地址设计单位...
DK18-1 场平工程竣工资料建设单位:施工单位:监理单位:编制日期:卷内目录工程名称DK18—1 场平工程建设单位南充市潆华建设有限责任公司...
汽车维修车辆进出厂登记、检验、竣工出厂合格证管理制度 维修车辆进厂维修,由业务人员负责在进厂施工单据上做好登记工作,记录进厂时间、车...
附件 7公路工程竣工验收评价表公路工程竣工验收委员会工程质量评分表项目名称: 表 7—1序号项目评定内容分值实得分一主体工程质量路基...
施工单位工程竣工报告工程名称武汉汇通公路港商业服务中心一期 5#楼建设单位武汉运通置业有限公司监理单位武汉五环建设监理有限公司施工单...
对一起 110kV 电缆竣工试验引发事故的分析白晓斌 曹宝秦 刘超 黄东利(陕西宝鸡供电局 721004)摘 要 通过对一起 110kVXLPE 电缆...
1 在施工程以及近年已竣工工程合同履行情况(用心整理的精品 word 文档,可以编辑,欢迎下载)作者:---------------------------------...

