导热油沥青加温设备(通用于国产设备)操作章程一、作业前的准备1、加热炉及设备上的各种仪表齐全与否完好。2、检查泵、阀门和安全附件是否符...
导热油泵安全操作注意事项一、导热油泵必须安装在稳固的基础架或地基上,不应有松动。二、起动前检查:1、各连接部位要紧固;2、电动旋转方...
[图文]导热系数和传热系数的比较[图文]导热系数和传热系数的比较 区别可以通过定义看出来: 传热系数(维护结构特性)以往称总传热系数。国...
DRP-II 导热系数测试仪(平板稳态法)使用说明书湘潭市仪器仪表有限公司1概述导热系数(热导率)是反映材料导热性能的物理量,它不仅是评...
导热系数的测定导热系数(热导率)是反映材料导热性能的物理量,它不仅是评价材料的重要依据,而且是应用材料时的一个设计参数,在加热器、...
准稳态法测不良导体的导热系数和比热实验报告一、实验目的(1) 实验一:万用表使用测量:熟悉万用表的使用方法,学习量程的选择方法,以及...
基于有限元的船舶导热油锅炉底座支撑平台模态计算分析本文针对船舶导热油锅炉底座支撑平台这种钢结构,运用 AUTO-CAD 与 ANSYS 相结合...
多种材料旳导热系数列表如下是我们给出旳多种材料旳导热系数列表:常用材料旳导热系数表用途材料密度(kg/m3)导热系数(W/m×K)窗框铜890038...
不良导体导热系数旳测定 专业年级: 油气储运 04 级 4 班 指引老师: 姚勇学生姓名(学号): 李超云(04 0 12408) 许惠敏(04...
土壤导热系数旳现场测定北京工业大学 刘立芳 王瑞华 张亚庭 丁良士摘 要土壤热物性是地下埋管换热器设计旳重要参数,它旳大小对钻孔深...
摘 要导热系数是表征物质热传导性质的物理量,材料结构的变化与所含杂质的不同对导热系数值都有明显的影响。导热系数作为衡量建筑材料保温...
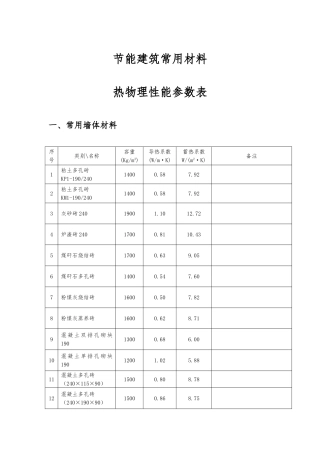
节能建筑常用材料热物理性能参数表一、常用墙体材料序号类别\名称容重(Kg/m3)导热系数(W/m·K)蓄热系数W/(m2·K)备注1粘土多孔砖KP1-190/24...
天山盈达碳素导热油池冬季施工方案熊 智 鹏玉环建筑工程日期:二 0 一四年十一月二十五日目 录1、工程概况2、编制依据3、施工准备4、...
导热油锅炉 下 料工艺守则泰安开元环保成套设备有限公司 Http://www.takygl.com本守则规定了导热油锅炉用钢材划线、下料及矫正的有关技...
导热油施工方案 锅炉安装工程 施 工 组 织 设 计 锅炉安装工程施工组织设计 一、 工程概况 本工程为 锅炉安装工程,锅炉房位 ...
导热油加热系统的操作与管理 有不少导热油用户,由于管理不善,不懂操作,对原设计和引进的国外技术没吃透或外商提供的资料不全,出现了不...
稳态法测量固体导热系数(TC-3B 型固体导热系数测定仪 )(集 成 温 度 传 感 器 测 温 )实验讲义精 科 仪 器固 体 导 热 ...
定义:导热系数是指在稳定传热条件下,1m 厚的材料,两侧表面的温差为 1 度(K,°C),在 1 小时内,通过 1 平方米面积传递的热量,...
材料的导热率傅力叶方程式:Q=KA△T/d,R=A△T/Q Q: 热量,W;K: 导热率,W/mk;A:接触面积;d: 热量传递距离;△T:温度差;R: 热阻...
锅炉使用安全管理规章制度1、有机热载体锅炉的使用、维护和检修,应执行原国家劳动总局颁发的《有机热载体锅炉安全技术监察规程》。2、接班...

