调研报告范文[农田水利建设与管理情况调研报告]第1篇第2篇第3篇第4篇第5篇更多顶部目录第一篇:农田水利建设与管理情况调研报告第二篇:农...
乡镇根本农田保护指标与利用现状调查工作总结调研报告范文??女儿童活动阵地不断完善。近年来,我镇以效劳妇女、效劳社会为主旨,以资源共享...
向市人大汇报农田水利建设情况市水利局关于贯彻《XX市人大常委会关于市人民政府农村基础设施建设情况报告的审议意见》的情况汇报市政府办:...
小型农田水利建设调研报告5篇XX县区农田水利建设调研报告农田水利建设是为发展农业生产服务的水利事业,它是农业基础设施的重要组成部分,...
州保护坝区农田建设山地城镇工作情况调研报告根据州人大20**年工作要点的安排,5月20日至24日由州人大领导带队,分两个调研组,到个旧、开...
农田整治工程施工方案与技术措施一、测量控制测量先行是施工管理中的要求,测量工作的质量直接影响到工程的质量,我公司在工程施工管理中,...
镇小型农田水利建设工作汇报社港镇地处xx市最北端,捞刀河发源地,总面移171平方公里,辖13个村3个社区(居)委会,有401个村民小组,4.6万...
镇高标准农田建设项目相关情况汇报一、汤池镇基本情况xx县汤池镇位于xx市南部,地处庐江、舒城、桐城三县交界,镇域总面积98平方公里,辖12...
关于高标准农田建设的调研报告一、基本情况汾湖经济开发区地处XX县区的东南角,南连浙江,东靠上海,处于江苏、浙江和上海两省一市交汇的金...
高标准基本农田建设项目监理工作重点、难点及相应措施1监理工作重点及难点监理工作重点、难点是:田块整理地面高程,做到土方挖填平衡;沟...
高标准基本农田报告写法****************年度高标准基本农田建设项目监理规划目录第一章总则...............................................
高标准农田建设项目情况汇报XX县区2018年高标准农田建设项目工程情况汇报材料按照市委、市政府“十三五”期间高标准农田建设项目“五年任务...
关于我区基本农田保护工作情况的报告主任、各位副主任、各位委员:我受区人民政府委托,现将我区基本农田保护工作情况报告如下,请予审议。...
临漳县称勾集镇称东村等十五个村高标准基本农田建设项目监理规划河北中通工程项目管理有限公司二O一六年七月二十日目录一、工程概况:。.....
高标准农田建设项目工程交工验收的报告XX县区2010年度国家农业综合开发高标准农田建设示范工程项目工作总结2010年农业综合开发城西高标准农...
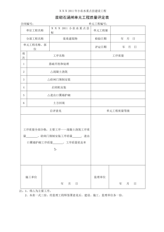
XXX2011年小农水重点县建设工程浆砌石涵闸单元工程质量评定表合同编号:单元工程编号:单位工程名称XXX2011小农水重点县标单元工程量...
第1页共63页编号:时间:2021年x月x日书山有路勤为径,学海无涯苦作舟页码:第1页共63页XXX2011年小农水重点县建设工程浆砌石涵闸单元工...
XXX2011年小农水重点县建设工程浆砌石涵闸单元工程质量评定表合同编号:单元工程编号:单位工程名称XXX2011小农水重点县标单元工程量...
副县长在基本农田保护工作汇报州政府考核组各位领导:正当举国上下掀起学习党的十七大报告精神热潮之际,州政府考核组各位领导亲临我县检查...
高标准基本农田建设补建项目工作总结农场管理区作业站高标准根本农田建设补建工程工作总结黑龙江省**农场第四管理区九作业站高标准根本农田...

