200x年上半年党风廉政建设责任制执行情况自查报告进入200x年以来,xxx公司在中国xxx公司、xxx公司及地方各级政府的正确领导下,坚持以xxx理...
2020年财政预算执行情况和2020年财政预算(草案)的报告各位代表:我受区人民政府委托,向大会报告2020年财政预算执行情况和2020年财政预算...
下载后可任意编辑围绕“三个规定”执行情况调研发言材料围绕“三个规定”执行情况调研发言材料提高思想认识,加强自我约束要提高思想认识,...
关涉农政策执行情况总结最近,我们对我市有关涉农政策执行情况进行了专项调查,重点调查了惠农资金发放、“一事一议”筹资筹劳和涉农收费等...
副县长年度党风廉政建设责任制执行情况总结文章标题:副县长20xx年度党风廉政建设责任制执行情况总结**县人民政府副县长(20xx年11月)20xx...
第1页共5页编号:时间:2021年x月x日书山有路勤为径,学海无涯苦作舟页码:第1页共5页附件3:工程建设强制性标准执行情况检查表(一、勘察...
安全生产法律法规、标准规范执行情况评估总结报告XX县区梁家洼煤业有限责任公司安全生产法律法规、标准规范执行情况及检查评估报告一、及时...
2020年政府采购执行情况自查报告2020年,区政府采购中心在各级领导的高度重视及相关部门的大力支持下,认真贯彻落实《政府采购法》,围绕“...
2020年县财政预算执行情况和2020年财政预算草案的工作报告—范文各位代表:我受县人民政府委托,向大会报告2020年财政预算执行情况和2020年...
安全生产法律法规、标准规范执行情况评估总结报告[模版]安全生产法律法规、标准规范执行情况评估总结报告XX县区三江能源有限公司2016年4月...
XX县农业政策执行情况的调查报告近年来,党中央、国务院高度农业农村工作,把“三农”工作列为工作的重点,2020年、2020年连续以中央一号文...
区教育局《行政许可法》贯彻执行情况工作总结2004年7月以来,区教育局依法行政工作在区委区政府的领导下,在市教育局的具体指导下,坚持以...
陕西省建筑工程施工质量验收技术资料统一用表施工质量验收技术资料通用表工程名称今朝馨菀7#楼建设单位陕西翊厦置业有限公司施工单位大荔县...
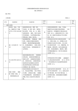
4工程建设强制性标准执行情况检查评定表(施工资料部分)施工单位:工程名称:附表2序号检查项目检查内容标准得分评分标准实际得分一、建筑...
工程建设强制性标准执行情况检查表(勘察部分)省(市、县):表4-1序号检查项目检查内容评价备注符合基本符合不符合1原始记录是否规范、...
实用标准文档文案大全规章制度及安全操作规程执行情况和适用性评审报告编制:牟海滨审核:何广义审批:毕海英2018年03月26日发布实用标准文...
-1-学校办学章程执行情况自查报告学校章程建设是现代学校制度建设的基石,是现代学校规范化和法制化建设的重要标志,是依法治校的基本要...
精选西乡县城关镇中心学校学校办学章程执行情况自查报告学校办学章程是学校实施依法治校、依法治教和依法自我管理的基础性、法规性文件。建...
XX市目标管理岗位责任制执行情况总结...万亩、优质小麦面积166.5万亩、优质油菜195.6万亩,优质率分别达61.3、63.2、95,分别较上年增加2.8...
XX乡工作目标管理责任状执行情况总结xx乡工作目标管理责任状执行情况总结县委、县人民政府:我乡2006年的工作在县委、县政府的正确领导下,...

