建设局建筑施工安全检查情况汇报为切实加强建筑工程施工现场的安全生产监管,落实安全生产责任制,消除事故隐患,预防和减少事故发生,保障...
公司安全检查计划一、目的:为认真落实各项安全措施,积极开展安全生产标准化工作,消除各类安全隐患,确保公司安全生产。二、检查要求:1...
矿井通风防瓦斯防尘系统安全检查课件•矿井通风系统安全检查•瓦斯防治系统安全检查•防尘系统安全检查•安全综合检查目录01矿井通风系统安...
开学安全检查汇报材料展营小学开学前安全检查汇报为了进一步加强和改进学校安全工作,确实保障广大师生的生命安全和国家财产安全,维护学校...
2024年食药品安全检查工作方案与2024手机中秋节促销方案汇编2024年食药品安全检查工作方案一、工作目标在XX年春节前,集中时间,集中力量,...
李渡小学安全检查报告5篇第一篇:李渡小学安全检查报告李渡小学安全检查报告李渡街道李渡教育管理中心:二00九年三月二十六日上午,由李渡...
旅游局安全检查活动的汇报材料根据《**市人民政府办公室关于进一步做好当前安全生产工作的紧急通知》(保政办电〔20*〕91号)及《**市旅游...
旅游局开展旅游安全检查进展情况汇报***县为了规范我县旅游市场,强化旅游安全意识,落实安全生产责任制,确保旅游市场安全有序,根据市旅...
第1页共39页编号:时间:2021年x月x日书山有路勤为径,学海无涯苦作舟页码:第1页共39页施工现场定期安全检查记录表检查项目存在问题整改措...
城市轨道交通工程质量安全检查指南(试行)二○一二年六月六日目录城市轨道交通工程质量安全检查指南(试行)………………………附表1建设...
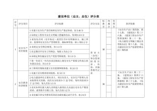
建设单位(业主、总包)评分表序号评分项目评分标准评分方法标准分扣减分实得分查评依据1安全生产责任制度1未建立安全生产责任制和安全生产...
建筑施工安全检查评分汇总表表3.0.1企业名称:江苏兴宇建设有限公司南京分公司经济类型:有限公司资质等级:二级单位工程(施工现场)名称建...
中国建筑股份有限公司安全生产管理手册目录一.落地(悬挑)脚手架安全技术验收表二.工具式脚手架安装验收表三.基坑支护验收表四.施工现场临时...
科研实验室安全检查自评报告1一、科研实验室安全自查情况1.学校科研实验室基本情况1.1实验研究场所学院现有各类实验室共计14个,其中语音教...
第1页共42页编号:时间:2021年x月x日书山有路勤为径,学海无涯苦作舟页码:第1页共42页施工现场安全检查记录编号:工程名称:南塘大道仙岩...
建筑施工安全检查评分汇总表企业名称:经济类型:资质等级:单位工程(施工现场)名称建筑面积(m2)结构类型总计得分(满分分值100分)项目名...
检察院办案纪律和办案安全检查情况汇报检察院办案纪律和办案安全检查情况汇报在高检院召开关于加强办案安全防范工作电视电话会议后,市检察...
第1页共2页编号:时间:2021年x月x日书山有路勤为径,学海无涯苦作舟页码:第1页共2页附表1常州市冶金企业安全生产检查标准序号项目检查内...
附表5施工单位安全检查评分汇总表工程名称工程地点建筑面积造价进度施工单位项目经理联系电话监理单位项目总监联系电话建设单位业主代表联...
2024年上半年安全检查个人总结范文与2024年上半年安全生产专项整治工作总结范文汇编2024年上半年安全检查个人总结范文为贯彻落实“安全第一...

