广南农特产品加工和商贸物流园区莲城片区基础设施建设项目施工招标副 本施 工 组 织 设 计目 录一、工程概况……………………………...
合同条款专用部分1.词语定义及合同文件1.1 合同文件及解释顺序合同文件组成及解释顺序;(1)合同协议书;(2)中标通知书;(3)投标文件...
市政基础设施工程工 程 竣 工 验 收 报 告市政备-1工程名称:验收日期:施工单位(盖章):建设单位(盖章):填写说明1、工程竣工验...
市政监—23市 政 基 础 设 施 工 程监 理 实 施 细 则工 程 名 称:工程建 设 单 位:监 理 机 构:有限公司总监理工...
市政施管—1市政基础设施工程开 工 报 告工程名称:科工程地点:广填报单位:广审批单位:广批准日期:市政基础设施工程开 工 报 告第...
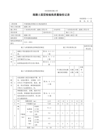
市政基础设施工程混凝土面层检验批质量验收记录 市政质检·1·32第 页,共 页工程名称中新基地至国道 324 线改建项目单位工程名称道路...
市政基础设施工程停 工 报 告编号: 001 市政施管-2工程名称广州南部地区(仑头至龙穴岛)快速路沥青路面工程(SLQ1 标段)承包单位...
市政基础设施养护项目管理为加强临淄区市政基础设施养护管理,充分发挥市政基础设施的功能,依据《中华人民共和国政府采购法》、《中华人民...
宁 夏 回 族 自 治 区 房 屋 建 筑 和 市 政基 础 设 施 工 程 工 程 量 清单 招 标 投 标 评 标 措 施第 ...
本页为作品封面,下载后可以自由编辑删除,欢迎下载!!! 精 品文档1【精品 word 文档、可以自由编辑!】武汉市建设工程招标投标管理...
市政基础设施工程施工技术文献重要项目统一规定表 格 表 式 目 录序号表格编号表 格 名 称1施管表 1单位工程技术文献目录表2施管...
山西省房屋建筑和市政基础设施工程施工评标办法晋建市字﹝202483﹞号第一条 为了法律规范房屋建筑和市政基础设施工程施工招标投标评标活动...
武汉市建设工程招标投标管理办公室文献 武建招办字[]26 号 二 ОО 二年十月十五日市招标办有关印发《武汉市房屋建筑和市政基础设施...
中医院高压扩容工程配电房施工方案编制人:XXXXXXXXXXXXXXXXXXX2017 年 10 月 9 日目 录一)、编制依据及说明二)、工程概况三)、施...
..。。。..。。。..。.。..。.。工程施工组织设计编制:×××审核:×××审批:××××××××××××公司二〇一五年九月一日。。。.。...
。。.。.。。。。。.。。.。..。。。工程施工组织设计编制:×××审核:×××审批:××××××××××××公司二〇一五年九月一日。....
基础设施管理规定编号:HC/03—002—V1。0编制:张强审核:孙怀、焦守英批准:朱毓光实施日期:2024 年 7 月 1 日基础设施管理规定1.目的...
基础设施维护方案一、概述运行维护,由维护及定检两部分内容组成。维护定检不仅是在问题出现时能迅速地定位、解决问题;而更重要的是在故障...
1. 目的为满足本公司的生产和服务的要求,对所需的基础设施进行有效管理。2。 适用范围适用于本公司工作设施,生产设备及相关辅助设备设...
基础设施管理规定编号:HC/03—002—V1。0编制: 张强审核: 孙怀、焦守英 批准: 朱毓光实施日期:2024 年 7 月 1 日基础设施管理规...

