1.医疗健康数据的基本情况不包括以下哪项?(单选题1分)得分:1分A.诊疗数据B.个人健康管理数据C.健康档案数据D.公共安全数据2.2012年全国...
基于大数据的APT攻击检测概念高级持续性威胁(advancedpersistentthreat,APT)是指隐匿而持久的电脑入侵过程,通常由某些人员精心策划...
数据的收集、整理与描述单元复习与巩固一、知识网络知识点一:总体、样本的概念1.总体:要考察的全体对象称为总体.2.个体:组成总体的每...
数据安全解决方案目录数据安全解决方案.................................................................................................
互联网金融发展的关键是风险控制,“风险控制”已然成为诸多互联网金融企业能否长大的魔咒,这个不争的事实像一座大山摆在众多互联网金融大...
基于工业大数据技术基础的应用方案规划主要内容大数据规模、特征从大数据到工业大数据工业大数据应用背景工业大数据应用方案的规划...
元数据管理系统目录1.前言.............................................................................................................
建筑工程经验系数及常用数据一、普通住宅建筑混凝土用量和用钢量(按抗震7度区规则结构设计)1、多层砌体住宅:钢筋:30KG/m2砼:0.3~0.33...
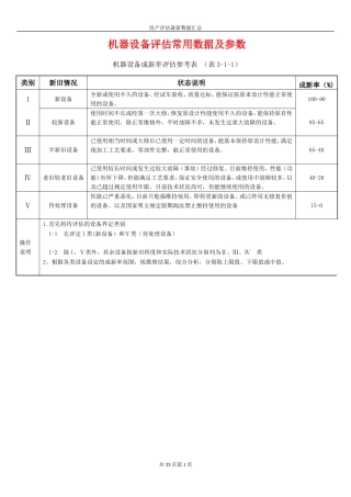
资产评估最新数据汇总机器设备评估常用数据及参数机器设备成新率评估参考表(表3-1-1)类别新旧情况状态说明成新率(%)I新设备全新或使用不...
第三课时:编码的基本方式授课内容师生活动课堂记录一、字符编码1、ASCⅡ码包含()个图形字符和()个控制字符码。2.大写字母B的ASCII编码...
1.1.1数据交换服务本项目的数据交换应用主要包含在以下两个方面,即:(1)内外网门户平台之间由于逻辑隔离,需要进行数据交换。(2)在内...
1.数据中心与大数据安全方案1.1数据中心与大数据安全概述随着信息技术的迅猛发展,大数据技术在各行各业的逐步落地,越来越多的单位和组织...
卫星反演LST的现状和展望李召良主要内容•背景介绍•基础理论背景•反演LST的各种算法•验证卫星反演LST的三种方法•未来发展和展望背景介...
江苏省不动产登记存量数据整合及汇交指南(暂行)二〇一七年六月目录1.范围...............................................................
人教2011课标版七年级(下册)10.1统计调查(2)第十章数据的收集、整理与描述一、创设情境提出问题一、创设情境提出问题“决不能让留守儿...
实验数据的误差及其处理实验数据的误差及其处理误差产生的原因误差的表示方法提高实验数据准确度的方法有效数字及运算规则误差的...
Excel数据分列的三种方法关于EXCEL分列,介绍三种方法大家选用。如有一个如图1所示的工作表,如何将其中B列的英文和中文分开成两列?方法一...
八年级下册20.2数据的波动程度(2)本课是在学习方差意义的基础上,根据样本估计总体的思想,学习用样本方差估计总体方差的方法,并运用...
人教版八年级(下册)第二十章数据的分析20.1数据的集中趋势(第1课时)问题:一家公司打算招聘一名英文翻译,对甲乙两名应试者进行了听、...
•学习目标:•1.复习统计调查的基本方法,分清全面调查和抽样调查的区别。•2.能根据实际情况画出统计图进行描述数据,并能区分各种统计图...

