浙建监 A6工程款支付申请表工程名称:梧桐蓝山花苑 10 # -16 #楼及地下室工程西区块 编号 :A6002 致:浙江耀华工程咨询代理有限...
工程款支付申请报告新疆中富矿业有限公司:兹有伊犁州同盛建筑工程有限责任公司奎屯分公司承建的新疆中富矿业有限公司红山西年产 120 万...
工 程 款 支 付 申 请 表工程名称:颍东区幸福苑小区 2#、5#、7#、10#楼 编号:致:安徽国合工程咨询有限公司(监理单位)我方已...
工程款支付申请表编号:BSH/JL-05 序号:003工程名称信阳建业森林半岛一期工程四标段 18#、21#楼致:河南建业天明住宅建设有限公司: ...
工程款支付申请表工程名称:江阳区蓝田街道战斗公路错车道扩建工程 编号:001工 程 款 支 付 证 书工程名称:江阳区蓝田街道战斗公路...
工程款支付申请表工程名称: 致: ( 监理单位)我方已完成工作,按施工合同的约定,建设单位应于年月日前支付该项工程款共(大写)(小写:...
工程款支付申请工程名称:安徽省荣军康复医院疗养楼工程 编号:单位工程造价汇总表第 1 页 共 1 页致:安徽省科达建设项目管理有限公...
项目工程工程款付款申请工程有限公司年 月日工程款支付申请书工程名称:工程致:建设集团有限公司 我方施工的工程已完成工作量%,建设单...
附表 FK—01:工程款支付申请表工程名称:紫园售楼部 编号:致:襄阳晴川盛景房地产有限公司 我方已完成售楼部西侧洽谈区地面装饰 工作...
授权委托书委托方:兹委托**同志(身份证号码:**)负责我公司在贵公司“项目名称"C 标段土方工程款的支付与结算工作,请将我公司工程款转...
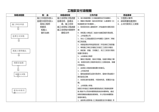
工程款支付流程图简易流程图担 当依据或标准工作内容附送表单施工方项目负责人监理方项目负责人现场工程师预算员权限人银行出纳施工合同和...
工 程 款 支 付 明 细 表承包方(乙方)名称:工程(项目)名称:合同价款总额:小写:大写:工程款支付情况付款批次支付时间按合同应...
监理表-27工程款支付报审表(监理【2024 】工程款支付报审 002 号)工程名称:忠县驾驶人综合服务楼项目致:重庆亚太工程建设监理有限公...
工程款支付报审表工程名称:玛多县花石峡镇环城东路道路及雨水管网 致:(监理公司) 根据施工合同约定,我方已完成路基工程及材料进场工...
表 A。0。2工 程 开 工 令工程名称: 编号:致:(施工单位)经审查,本工程已具备施工合同约定的开工条件,现同意你方开始施工,开...
工程款支付承诺书北京市建设工程招标投标管理办公室: 我公司负责开发建设的_______工程进入招标阶段,我公司将严格根据招标投标法...
工程款支付担保制度 担保是促使债务人履行债务,保障债权人实现债权的法律措施.担保分为人的担保、物的担保和金钱担保。人的担保即为保证,...
工程款支付情况及资金使用计划表填报单位:项目名称:(单位:万元)工程进度(时间)用款项目计划用款金额实际用款金额已支付金额收款单位1。...
工程款支付审核记录表工程名称:工程进度已完工程分部分项工程量清单、措施项目清单、规费及税金审核记录付款依据本期应扣款本期应付款工程...
湖南 XX 建筑工程有限公司工程款支付审批表年月日项目名称本次到款项目性质□公司 □分公司(办事处) □其他项目基本情况合同金额累计...

