建筑装饰装修工程检验划分一、抹灰工程(一般抹灰,装饰抹灰,清水砌体勾缝)1、相同材料、工艺和施工条件的室外抹灰工程每 500~1000㎡应...
建筑装饰装修工程检验批划分标准序号子分部工程名称检 验 批 划 分 标 准检验批质量验收记录表1地面工程相同材料、工艺和施工条件楼...
建筑装饰装修工程分项工程检验批划分1.建筑地面工程的各分项工程的检验批的划分应符合下列规定:1基层(各构造层)和各类面层的分项工程的...
建筑节能子分部、分项工程划分分部工程子分部工程分 项 工 程建筑节能分部工程01 墙体节能工程01 基层;02 粘贴保温板外墙外保温层;...
建筑电气分部工程、子分部工程、分项工程划分 分为以下子分部工程:室外电气、变配电室,供电干线,电气动力,电气照明安装,备用和不间断电源...
建筑施工单位资质及等级划分施工单位资质分总承包、专业承包及劳务分包,总承包分为特、一、二、三级总承包。一、房屋建筑工程施工总承包企...
验收划分一、基础分部工程分部工程子分部工程分项工程检验批基础分部工程人工挖孔灌注桩成孔以每一次验收桩孔为一检验批钢筋笼以每一次浇灌...
工程项目规模分级标准(建筑行业)序号建设项目工程等级特征大型中型小型1一般公共建筑单体建筑面积20000㎡以上5000~20000㎡≤5000㎡建筑高...
质量事故等级划分国家现行对工程质量通常采纳按造成损失严重程度进行分类,其基本分类如下: 1)一般质量事故:凡具备下列条件之一者为一...
建筑工程类别划分及说明一、土石方工程二类:挖或填土石方量≥50000 立方米,且挖或填深度≥10m的机械土石方工程。三类:挖或填土石方量≥3...
四类建筑工程类别划分标准一、建筑工程类别的划分标准及说明(一) 建筑工程类别的划分标准(见下表) 工程类型分类指标一类二类三类四类...
CEC 中电环境工业科技园研发创新基地 项 目 检 验 批 划 分 方 案编制人:_____________ 审核人:_____________ 审批人:_____...
表 B。0。1 建筑工程分部工程、分项工程划分序号分部工程子分部工程分项工程1地基与基础无支护土方土方开挖、土方回填有支护土方排桩、降...
建 筑 工 程 分 部 ( 子 分 部 ) 分 项 工 程 的 划 分表2 -2序号分 部 工 程子 分 部 工 程分 项 工 程1地...
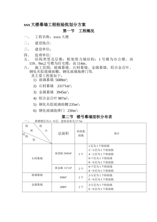
xxx 大楼幕墙工程检验批划分方案第一节 工程概况一、工程名称:xxxx 大楼二、建设地点:三、建设单位:四、监理单位:五、结构类型及层数...
常见水利工程项目划分一个水利水电工程的建成,由施工准备工作开始到竣工交付使用,要经过若干工序、若干工种的配合施工.而工程质量的形成不...
工程质量评定时有关单位需提交的基本资料1.工程施工质量自评报告、监理质量复评报告,建设单位对工程质量的认定意见;1.工程设计资料(设...
工程项目划分报审表工程名称: 编号:A2***致:(监理公司)我方已根据< 〈 给水排水管道工程施工及验收法律规范 〉 > ( GB50268...
(单位工程、分部工程、分项工程、检验批划分方案)编制单位:xx 公司 xx 公司编制人: 编制日期:年 月 日(参考标准:云南省市政基础...
表 18。0.1 城镇道路分部(子分部)工程与相应的分项工程、检验批分部工程子分部工程分项工程检验批路基-土方路基每条路或路段石方路基每...

