地层划分对比 1 、编制地层柱状对比图 编制地层岩性岩相、生物地层和年代地层柱状对比图,建立起编图区目的层位的等时地层格架。编绘实...
地下水评价等级的划分 一、评价工作分级 (一)建设项目分类 根据建设项目对地下水环境影响的特征,将建设项目分为以下三类。 Ⅰ类:指...
123456焊脚尺寸允许偏差0-4mm0-4mm8钢结构制作(安装)焊接工程检验批质量验收记录表单位工程名称施工单位名称施工工艺名称及编号分部及部...
1 划分文言文句子朗读停顿的节奏及练习 (一)、考纲考点 初中1 至6 册中的文言文,重点是讲读课文中的重点句子,让学生能准确的划分...
划分唯物主义历史观和唯心主义历史观的唯一标准在于 是否承认社会内部矛盾推动社会发展 是否承认社会存在决定社会意识 是否...
1 中国传统的划分年龄段方法: 童年:小于5周岁,幼儿抚育期; 少年:5至14周岁,体力,智力,精力发育期; 青年:15至29周岁,体力,智力,精力增...
1 划分句子成分 (一)知识要点 1. 什么是句子 句子是由词或词组构成的,是具有一定语调并表达一个完整意思的语言运用单位。根据用途...
划分句子成分 1.什么是句子 句子是由词或词组构成的,是具有一定语调并表达一个完整意思的语言运用单位。根据用途和语气,句子可以分为...
划分句子成分 划分句子成分 1.什么是句子 句子是由词或词组构成的,是具有一定语调并表达一个完整意思的语言运用单位。根据用途和语气...
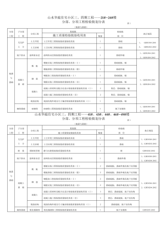
山水华庭住宅小区三、四期工程——21#~ 24#楼 分部、分项工程检验批划分表 表 1 (地基与基础) 分部 工程 子分部 工 程 分项工...
未成年犯管教所民警职工住宅楼 ※分项工程和检验批的划分方案※ 甘肃第四建设集团有限责任公司 第 1 页 共 18页 目 录 1 . 工...
第 1 页 共 1 0 页 目 录 第一章 编制依据 ..................................................................................
分部工程 分部工程(parts of constru ction),是单位工程的组成部分,分部工程一般是按单位工程的结构形式、工程部位、构件性质、使...
北京地铁16 号线工程土建施工17 合同段项目经理部 单位工程、分部分项工程划分方案 玉渊潭东门站 甘家口站~ 玉渊潭东门站区间 单位...
建筑工程分部分项工程划分 序号 分部工程 子分部工程 分项工程 1 地 基 与 基 础 土方工程 土方开挖,土方回填,场地平整 基...
项目名称编号项目名称编号项目名称编号桩基钢筋加工及安装DSGS-D6-QL03-01-01桩基DSGS-D6-QL03-01-02台帽钢筋加工及安装DSGS-D6-QL03-01-03...
桩基成孔68钢筋笼制作与安装68混凝土灌注68模板制作安装22钢筋制作与安装22混凝土浇筑22模板制作安装26钢筋制作与安装26混凝土浇筑26模板制...
北京城市副中心职工周转房项目A1标段 分部、分项及检验批划分方案 编制人: 审核人: 审批人: 中建三局集团有限公司 北京城市副中心...
1 分 部 分 项 工 程 划 分 2 高层分部分项工程划分表 序号 分部工程 子分部工程 分 项 工 程 检验批 1 地基与基础 ...
中洲•半岛城邦(南区)三期1-6#、9-11#楼、 地下车库(B 区) 分部分项划分方案 编 制: 审 核: 审 批: 中航建筑工程有限公司...

