电脑桌面
添加小米粒文库到电脑桌面
安装后可以在桌面快捷访问

分项工程检验批划分方案VIP专享VIP免费

分项工程检验批划分方案_第1页
1/12
分项工程检验批划分方案_第2页
2/12
分项工程检验批划分方案_第3页
3/12
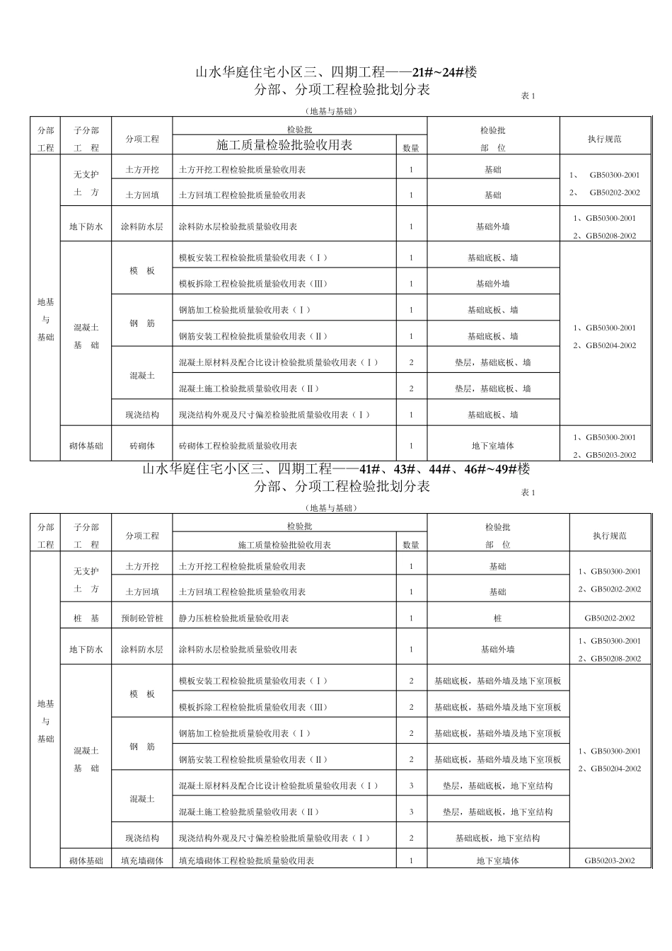
山水华庭住宅小区三、四期工程——21#~ 24#楼 分部、分项工程检验批划分表 表 1 (地基与基础) 分部 工程 子分部 工 程 分项工程 检验批 检验批 部 位 执行规范 施工质量检验批验收用表 数量 地基 与 基础 无支护 土 方 土方开挖 土方开挖工程检验批质量验收用表 1 基础 1、 G B50300-2001 2、 G B50202-2002 土方回填 土方回填工程检验批质量验收用表 1 基础 地下防水 涂料防水层 涂料防水层检验批质量验收用表 1 基础外墙 1、G B50300-2001 2、G B50208-2002 混凝土 基 础 模 板 模板安装工程检验批质量验收用表(Ⅰ) 1 基础底板、墙 1、G B50300-2001 2、G B50204-2002 模板拆除工程检验批质量验收用表(Ⅲ) 1 基础外墙 钢 筋 钢筋加工检验批质量验收用表(Ⅰ) 1 基础底板、墙 钢筋安装工程检验批质量验收用表(Ⅱ) 1 基础底板、墙 混凝土 混凝土原材料及配合比设计检验批质量验收用表(Ⅰ) 2 垫层,基础底板、墙 混凝土施工检验批质量验收用表(Ⅱ) 2 垫层,基础底板、墙 现浇结构 现浇结构外观及尺寸偏差检验批质量验收用表(Ⅰ) 1 基础底板、墙 砌体基础 砖砌体 砖砌体工程检验批质量验收用表 1 地下室墙体 1、G B50300-2001 2、G B50203-2002 山水华庭住宅小区三、四期工程——41#、43#、44#、46#~ 49#楼 分部、分项工程检验批划分表 表 1 (地基与基础) 分部 工程 子分部 工 程 分项工程 检验批 检验批 部 位 执行规范 施工质量检验批验收用表 数量 地基 与 基础 无支护 土 方 土方开挖 土方开挖工程检验批质量验收用表 1 基础 1、G B50300-2001 2、G B50202-2002 土方回填 土方回填工程检验批质量验收用表 1 基础 桩 基 预制砼管桩 静力压桩检验批质量验收用表 1 桩 G B50202-2002 地下防水 涂料防水层 涂料防水层检验批质量验收用表 1 基础外墙 1、G B50300-2001 2、G B50208-2002 混凝土 基 础 模 板 模板安装工程检验批质量验收用表(Ⅰ) 2 基础底板,基础外墙及地下室顶板 1、G B50300-2001 2、G B50204-2002 模板拆除工程检验批质量验收用表(Ⅲ) 2 基础底板,基础外墙及地下室顶板 钢 筋 钢筋加工检验批质量验收用表(Ⅰ) 2 基础底板,基础外墙及地下室顶板 钢筋安装工程检验批质量验收用表(Ⅱ) 2 基础底板,基础外墙及地下室顶板 混凝...

1、当您付费下载文档后,您只拥有了使用权限,并不意味着购买了版权,文档只能用于自身使用,不得用于其他商业用途(如 [转卖]进行直接盈利或[编辑后售卖]进行间接盈利)。
2、本站所有内容均由合作方或网友上传,本站不对文档的完整性、权威性及其观点立场正确性做任何保证或承诺!文档内容仅供研究参考,付费前请自行鉴别。
3、如文档内容存在违规,或者侵犯商业秘密、侵犯著作权等,请点击“违规举报”。

碎片内容

分项工程检验批划分方案

确认删除?
VIP
微信客服
  • 扫码咨询
会员Q群
  • 会员专属群点击这里加入QQ群
客服邮箱
回到顶部