科目序号工程名称总承包单位专业分包单位独立承包单位其他配合施工单位备注一三通一平1场地土方平整有则作独立承包二基础工程1地下室基坑土...
工会与行政有关费用划分的规定(摘录)说明 基层工会的工作、活动与所在企业、事业、机关的生产、经营、工作以及职工的生产、生活紧密相连...
工业险级别划分原则 鉴于工业险费率的厘订,应兼顾到保险单位使用的原材料、主要产品、工艺流程、危险程度等因素,所以,对有些单位虽使用...
泸县云锦至百和公路建设工程一标段 岗位责任划分 编 制: 审 核: 审 批: 河南豫通盛鼎工程建设有限公司 二零一四年三月 项目经...
单项工程编号单位工程编号分部工程编号单元工程编号数量(m2)备注耕作田块A11-1-1-118564.9耕作田块A21-1-1-268631.4耕作田块A31-1-1-337434...
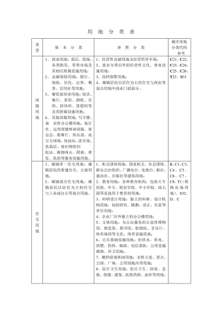
用 地 分 类 表 类型 基 本 分 类 参 照 分 类 城市用地 分类代码 参考 商 服 用 地 1、 商业用地:商店、商场、各...
完整版检验批划分方案最新
第一节 施工段的划分与施工顺序一、施工区段的划分总体施工本着连续、均衡、流水、展开等原则安排并进行施工区域的划分。本装饰工程划分两...
建筑工程分部分项工程划分序号分部工程子分部工程分项工程1 地基与基础土方工程土方开挖,土方回填,场地平整基坑支护排桩,重力式挡土墙...
表 B 建筑工程分部工程、分项工程划分序号分部工程子分部工程分项工程1 地基与基础地基素土、 灰土地基, 砂和砂石地基, 土工合成材...
下载后可任意编辑社区 2024 年精神文明工作计划分与社区 2024 年综治工作计划结尾汇编社区 2024 年精神文明工作计划分xx 年 xx 社...
下载后可任意编辑社区 2024 年精神文明工作计划分与社区 2024 年精神文明建设工作计划例文汇编社区 2024 年精神文明工作计划分xx 年...
下载后可任意编辑社区 2024 年精神文明工作计划分与社区 2024 年综治工作计划例文汇编社区 2024 年精神文明工作计划分xx 年 xx 社...
中工写字楼网 写字楼就是专业商业办公用楼的别称,严格地讲,写字楼是不能用于住人的。这是房屋的房产证上有明确注明的。中工写字楼网指出...
写字楼物业服务等级划分
第一张,清末的 《皇舆一览图》基本上以实际控制线绘制了清末中国疆域 大家注意西南边疆中缅边界的画法(江心坡在界外) 第二张,民国北...
《建筑工程施工质量验收统一标准》( GB50300-2013) 附录B 建筑工程的分部工程、分项工程划分 表 B 建筑工程的分部工程、分项工程划...
如何分析多重复句 分析多重复句层次的方法步骤是: 第一,确定由几个分句构成(运用教材中《复句》里的区分单句、复句的知识确定);第二...
★精品文档★2016 全新精品资料 -全新公文范文 -全程指导写作–独家原创1 / 21初中语文句子成分划分练习及答案语法教学在初中教学中历...
22 种矿床勘查类型划分依据!本文根据地质矿产勘查行业标准汇编而成,涵盖 22 种矿床勘查类型:岩金矿床铜、铅、锌、银、镍、钼矿床高岭...

