泰兴市华东染织有限公司清洁生产报告泰兴市环境科学研究所二OO七年十月项目名称:泰兴市华东染织有限公司清洁生产报告项目承担单位:泰兴市...
HJ中华人民共和国环境保护行业标准HJ/Txx-2002清洁生产技术要求制浆造纸行业Technicalrequirementsforcleanerproduction–Pulp&paperindust...
第1页共5页编号:时间:2021年x月x日书山有路勤为径,学海无涯苦作舟页码:第1页共5页肇庆理士电源科技有限公司清洁生产审核进度表阶段具体...
目录前言.............................................................................................................................
第1页共17页编号:时间:2021年x月x日书山有路勤为径,学海无涯苦作舟页码:第1页共17页某矿业公司清洁生产审核实例1清洁生产审核准备阶段...
第1页共29页编号:时间:2021年x月x日书山有路勤为径,学海无涯苦作舟页码:第1页共29页GMP管理文件固体制剂设备清洁消毒验证方案河北国金...
深圳市宝安区松岗良友五金制品厂清洁生产审核报告(送审稿)清洁生产技术服务单位:深圳市宗兴环保科技有限公司报告日期:2012年4月10日广...
第1页共30页编号:时间:2021年x月x日书山有路勤为径,学海无涯苦作舟页码:第1页共30页国家重点行业清洁生产技术导向目录(第三批)序号技...
第1页共49页编号:时间:2021年x月x日书山有路勤为径,学海无涯苦作舟页码:第1页共49页1总论1.1编制依据1.1.1法律、法规和规范性文件⑴《...
中学清洁工程的自查报告为认真贯彻落实省教育厅、县教育局关于《开展农村学校清洁工程的督查调研》的通知精神,结合我校实际,进一步推进我...
2023年清洁服务经营范围(38个范本)优秀范本1清洁服务公司经营范围:清洁服务;劳务服务;家政服务;管道疏通;化粪池清淘。(企业依法自主...
审定成绩:毕业设计(论文)设计(论文)题目:清洁生产理论与实践研究系部名称:学生名字:专业:班级:学号:指导教师:答辩组负责人:填...
第1页共45页编号:时间:2021年x月x日书山有路勤为径,学海无涯苦作舟页码:第1页共45页清洁生产导论IntroductionofCleanerProduction第一...
河北浩锐陶瓷制品有限公司清洁生产技术改造项目可行性研究报告2014年12月目录第一章总论...................................................
人人讲卫生个个爱清洁老师们、同学们好:大家好!今天我们卫生广播的卫生小宣传员们再一次向大家做卫生与健康知识宣传,希望你们喜欢。一、...
XX有限公司清洁生产审核报告XX公司清洁生产审核报告企业形象图片清洁生产技术服务单位:广州市环境保护工程设计院有限公司报告日期:20XX年...
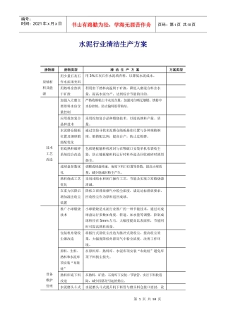
第1页共58页编号:时间:2021年x月x日书山有路勤为径,学海无涯苦作舟页码:第1页共58页水泥行业清洁生产方案废物源废物类型清洁生产方案方...
云南世博花园酒店有限公司清洁生产审核报告云南世博花园酒店有限公司二OO八年十二月项目名称:所属行业:宾馆、酒店业企业法人代表:企业法...
第1页共10页编号:时间:2021年x月x日书山有路勤为径,学海无涯苦作舟页码:第1页共10页CH-200型槽型混合机清洁验证方案文件名称CH-200型槽...
第1页共7页编号:时间:2021年x月x日书山有路勤为径,学海无涯苦作舟页码:第1页共7页设备操作开机前请确认电源电压是否符合设备输入电压规...

