新建铁路兰州至重庆线四电集成广元站区工程施工方案编制:复核:审批:中铁武汉电气化局集团有限公司兰渝项目部第五分部2015年1月14日目录1...
AIX和HACMP相关技术知识测试题一.填空题1.查看错误信息是通过命令来实现的,查看某个详细的错误信息通过参数来实现。2.如果文件系统的空...
集成供应链管理与供应商管理策略制定供应链管理培训讲师吴诚老师课件•集成供应链管理概述•供应商管理策略制定•供应链协同管理•供应链优...
第1页共54页编号:时间:2021年x月x日书山有路勤为径,学海无涯苦作舟页码:第1页共54页中国集成建筑市场十三五分析及投资战略研究报告2016...
第1页共2页编号:时间:2021年x月x日书山有路勤为径,学海无涯苦作舟页码:第1页共2页某集成电子企业客服中心管理人员工作绩效主要考核指标...
模电集成运算放大器课件•集成运算放大器基本原理•集成运算放大器电路分析方法•集成运算放大器典型应用电路设计实•集成运算放大器非线性...
城市生活垃圾前处理集成系统在城市生活垃圾综合处理工程中,整个处理过程可以分为前处理工序、处理工序和后处理工序三大系统。处理工序包括...
膜集成技术在煤化工高盐废水资源化中的应用摘要:简要介绍了纳滤膜、正渗透、电驱动膜等膜工艺,采用杭州水处理技术研究开发中心研发的膜组...
大型集成项目推广经验总结冯占忠feng-zhanzhong1.西安美林电子有限责任公司,西安710075摘要:本文结合我们在建立和推广(其中了借鉴了众多...
汇仁集团组织结构设计:岗位编制北京九略管理顾问公司2002.4.27第2页共24页编号:时间:2021年x月x日书山有路勤为径,学海无涯苦作舟页码:...
第1页共101页编号:时间:2021年x月x日书山有路勤为径,学海无涯苦作舟页码:第1页共101页XX集团组织结构设计:部门职责权第2页共101页第1...
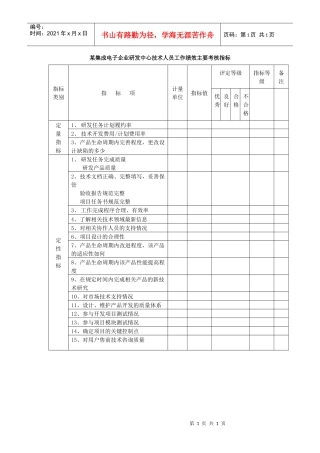
第1页共1页编号:时间:2021年x月x日书山有路勤为径,学海无涯苦作舟页码:第1页共1页某集成电子企业研发中心技术人员工作绩效主要考核指标...
第1页共19页编号:时间:2021年x月x日书山有路勤为径,学海无涯苦作舟页码:第1页共19页舒而佳文具公司20m³/h电镀综合废水膜集成深度处理...
•集成管理概述•企业电子商务平台构建•集成管理与企业电子商务平台的协同运作•企业电子商务平台的风险与挑战•企业电子商务平台的未来发...
广州某机械设备有限公司会议室集成项目建设方案建议书设计编号:GZZY00001B方案设计:方案审核:设计日期:年月广州众赢资讯科技有限公司Gu...
第1页共1页编号:时间:2021年x月x日书山有路勤为径,学海无涯苦作舟页码:第1页共1页某集成电子企业市场部正副部长、片区经理工作绩效主要...
由集成运放构成的电压比较器分析与测试课件•电压比较器概述•由集成运放构成的电压比较器•电压比较器的分析•电压比较器的测试•电压比较...
基础数据集成管理在生活垃圾处理管理中的绩效性探究随着信息科学技术的高速发展,基础数据流有了爆发性增长,基础数据已广泛渗透于各个核心...
XXXX智能化弱电集成系统工程施工XXXX文件项目名称:XXXX智能化弱电集成系统工程投标文件内容:投标文件技术标部分投标人:(盖章)法定代表人...
北京工程Honeywell目录1.概述.................................................................11.1我们对本系统的理解...................

