新解放、新跨越、新崛起大讨论活动方案为全面贯彻党的十七大精神、省委八届八次全会精神,深入贯彻落实科学发展观,在新的起点上继续解放思...
新解放新跨越新崛起三新大讨论第二阶段实施方案按照中共**市委《关于在全市开展“新解放、新跨越、新崛起”大讨论活动的方案》(商发(2008...
住建局思想大解放干事有激情担当尽职责作风再改进活动方案为深入贯彻落实中省市县的重大决策部署,进一步解放思想,转变作风,建设宜居宜业...
商贸局解放思想教育方案为认真贯彻落实区委《关于开展“解放思想百日教育”活动的意见》精神,结合实际,现就我局在全体工作人员中开展“解...
XX乡思想大解放整改方案第一篇:xx乡思想大解放整改方案中共xx乡关于开展“思想大解放树立新形象”活动的整改方案“思想大解放,树立新形象...
省市县区开展新解放新跨越新崛起大讨论活动的方案根据省委八届八次全会关于在全省组织开展“新解放、新跨越、新崛起”大讨论活动的重要部署...
哈工大毕业设计后钢板弹簧吊耳加工工艺及夹具设计摘要本次设计是对后钢板弹簧吊耳零件的加工工艺规程及一些工序的专用夹具设计。后钢板弹簧...
开展以思想大解放推动园林事业大发展实施方案关于开展“以思想大解放推动园林事业大发展”大讨论的实施方案为全面贯彻落实市委十一届三次全...
吉林化工学院本科毕业设计说明书解放牌汽车变速叉工艺规程及夹具设计Theliberationoflicensingautomobiletransmissionforkprocessandfixtur...
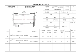
后钢板弹簧吊耳工序卡片东华理工大学机械加工工序卡片工序名称粗铣φ60mm孔外圆端面工序号10零件名称后钢板弹簧吊耳零件号零件重量2.6kg同...
新解放新跨越新崛起大讨论活动方案为全面贯彻中国共产党党的十七大精神、省委八届八次全会精神,深入贯彻落实科学发展观,在新的起点上继续...
苏堡中心小学思想大解放树立新形象活动方案第一篇:苏堡中心小学思想大解放树立新形象活动方案苏堡乡中心小学“思想大解放树立新形象”活动...
新解放、新跨越、新崛起大讨论活动方案学院根据省委八届八次全会、河南科技大学新解放、新跨越、新崛起大讨论活动动员大会以及河科大发【20...
新解放新跨越新崛起三新大讨论第二阶段实施方案按照中共**市委《关于在全市开展“新解放、新跨越、新崛起”大讨论活动的方案》(商发(20xx...
开展以思想大解放推动园林事业大发展实施方案关于开展“以思想大解放推动园林事业大发展”大讨论的实施方案为全面贯彻落实市委十一届三次全...
思想大解放树立新形象活动实施方案“思想大解放、树立新形象”活动的实施方案为认真贯彻落实《教育局党委关于深入开展思想大解放、树立新形...
设计院开展“推进思想大解放,谋求发展新跨越”大讨论活动总结在xx街道党工委的正确领导下,按照街道制定的大讨论活动实施方案,xx市给排水...
解放社区的综治工作总结范文一、坚持把宣传组织发动群众贯穿平安建设始终,充分运用电视、广播、报刊、网络等媒体,采取群众喜闻乐见的形式...
解放小学法制宣传活动总结为深入学习宣传法律,我校开展了一系列普法宣传活动,由于组织得力,措施得当,圆满完成了活动方案中的各项计划,...
住建局思想大解放干事有激情担当尽职责作风再改进活动方案为深入贯彻落实中省市县的重大决策部署,进一步解放思想,转变作风,建设宜居宜业...

