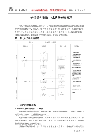
第1页共7页编号:时间:2021年x月x日书山有路勤为径,学海无涯苦作舟页码:第1页共7页監測表面貼裝元件的貼裝ByEdwardKamen,AlexGoldsteina...
“行业-专业-就业人才需求分析”大赛广东省首届“行业-专业-就业人才需求分析”大赛项目分析报告项目名称电子元件及组件制造行业分析项目所...
附录2奥氏体铬镍钢和镍基合金组件表面的铁素污染检验程序铁锈指示剂检测(滤纸斑点试验)铁锈指示剂检测是一种通过测试奥氏体铬镍钢和镍基...
设置Maven仓库1.介绍Maven是Java开发者中流行的构建工具,Maven的好处之一是可以帮助减少构建应用程序时所依赖的软件构件的副本,Maven建议...
实验一OptiSystem仿真组件库介绍Componentlibrary组件库:根据optisystem7.0翻译一、default系统默认值二、custom自定义三、favorites收藏...
第1页共8页编号:时间:2021年x月x日书山有路勤为径,学海无涯苦作舟页码:第1页共8页Chemicaltreatmentofcrystallinesiliconsolarcellsasa...
太阳能电池组件封装工艺大全简介:太阳能电池组件封装工艺大全一、太阳能电池组件封装简介组件线又叫封装线,封装是太阳能电池板生产中的关...
NSTDA非晶硅薄膜太阳能组件生产工艺流程TCO涂层玻璃玻璃磨边机玻璃清洗第一次激光刻划玻璃清洗负载气体箱玻璃衬底动力梯负载箱气体箱负载箱...
技术规范1.总则1.1本技术规范适用于光伏组件及其辅助材料的功能、性能、结构等方面的技术要求。1.2本技术规范光伏组件均采用多晶硅形式,采...
2、交货时间为:2017年3月20日-4月30日。3、合同签订时间预计为:2016年10月上旬。xxxxxxxxx公司25MWp光伏项目多晶硅组件设备采购技术文件...
分行IT基础设施资源整合项目文档分行IT基础设施资源整合项目IBM硬件安装配置手册——VER1.0中国建设银行信息技术管理部SFB项目组2007年8月...
电池组件生产工艺目录太阳能电池组件生产工艺介绍........................1晶体硅太阳能电池片分选工艺规范....................3晶体硅太...
中国组件生产厂商名录编号企业名称联系方式与地址公司简介1石家庄绿洲新能源开发公司地址:石家庄市和平西路642号联系人:王木林(贸易经理)...
中国组件生产厂商名录编号企业名称联系方式与地址公司简介1石家庄绿洲新能源开发公司地址:石家庄市和平西路642号联系人:王木林(贸易经理)...
太阳能电池组件生产工艺目录太阳能电池组件生产工艺介绍..........................................1晶体硅太阳能电池片分选工艺规范........
UL1703平板型太阳能组件安全认证标准(Flat-PlatePhotovoltaicModulesandPanels)说明:UL1703是UL于1986年发展制定针对平板型太阳能电池面板...
组件封装工艺流程图解一、分选二、划片三、单焊对电池片的电性能进行筛选,以及将电池片切割成所需要的将涂锡带(行业称互联条)焊接在对电...
2、交货时间为:2017年3月20日-4月30日。3、合同签订时间预计为:2016年10月上旬。xxxxxxxxx公司25MWp光伏项目多晶硅组件设备采购技术文件...
技术规范1.总则1.1本技术规范适用于光伏组件及其辅助材料的功能、性能、结构等方面的技术要求。1.2本技术规范光伏组件均采用多晶硅形式,采...
惠州华阳通用电子有限公司➍HUIZHOUFORYOUGENERALELECTRONICSCO.,LTD文件更改履历表第1页共1页题目:线缆及线束组件检验标准编号:WI.QM.02...

