第1页共12页编号:时间:2021年x月x日书山有路勤为径,学海无涯苦作舟页码:第1页共12页二、分批成本会计制度□总则第一条成本会计处理准则...
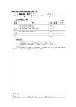
财务类考核—期间费用管理考核—考核方法名称财务类考核—期间费用管理考核—考核方法编码版本页次1—4修改状态1.总务后勤部考核分值表考核...
第1页共13页编号:时间:2021年x月x日书山有路勤为径,学海无涯苦作舟页码:第1页共13页第七章资本成本与资本结构第二节杠杆原理一、经营风...
生活成本调研济宁一、个人基本信息:1.您的性别[单选题]*○男○女2.您的年龄[单选题]*○25岁以下○26-35岁○36-45岁○45岁以上3.您的婚姻情...
物流成本的核算方法件•物流成本概述•物流成本核算方法•物流成本核算流程•物流成本分析方法•降低物流成本的策略与方法•实际案例分析01...
工厂成本分析课件CHAPTER01工厂成本概述工厂成本的构成010203直接材料成本直接人工成本制造成本指直接用于生产产品的原材料成本。指直接参...
第1页共44页编号:时间:2021年x月x日书山有路勤为径,学海无涯苦作舟页码:第1页共44页《财务成本管理》串讲班讲义一、考试题型、分数比重...
第1页共19页编号:时间:2021年x月x日书山有路勤为径,学海无涯苦作舟页码:第1页共19页第一部分选择题(共20分)一、单项选择题(本大题共...
营业成本实质性程序被审计单位:项目:营业成本编制:日期:索引号:SB财务报表截止日/期间:复核:日期:第一部分认定、审计目标和审计程...
质量成本质量成本(QualityCost)目录[隐藏]1质量成本概念的产生和发展2质量成本的含义3质量成本的特点4现代质量成本具有的特征5...
第1页共7页编号:时间:2021年x月x日书山有路勤为径,学海无涯苦作舟页码:第1页共7页第五章费用本章考情分析本章近三年考试的题型为单项选...
第1页共14页编号:时间:2021年x月x日书山有路勤为径,学海无涯苦作舟页码:第1页共14页审计工作底稿编制实务案例应收账款、预收账款、开发...
预防成本鉴定成本外部损失内部损失薪资、奖励费、工作、培训费、审核、认证费质量审核;检验测试费、检测设备折旧、管理费用外退返修、市场...
成本与业务量分析课件•成本分析概述•成本核算方法•业务量分析contents目录•本量利分析•成本与业务量分析的应用•案例分析01成本分析概...
第1页共5页编号:时间:2021年x月x日书山有路勤为径,学海无涯苦作舟页码:第1页共5页企业如何做成本分析成本分析是企业管理当中的一个比较...
第1页共16页编号:时间:2021年x月x日书山有路勤为径,学海无涯苦作舟页码:第1页共16页2011年全国会计从业—会计基础重点—收入费用成本和...
第1页共15页编号:时间:2021年x月x日书山有路勤为径,学海无涯苦作舟页码:第1页共15页广西承接加工贸易产业转移之投资成本参考资料(广西...
费用分配与成本归集概论课件•费用分配与成本归集概述•费用分配的方法与技巧contents•成本归集的过程与步骤目录•费用分配与成本归集的优...
国税稽查成本调研报告国、地税机构分设以来,国税局负责征收管理的主要税种是增值税、消费税,国税稽查局也主要是对增值税、消费税违法案件...
第1页共7页编号:时间:2021年x月x日书山有路勤为径,学海无涯苦作舟页码:第1页共7页()是会计人员网上交流学习探讨的专业网站,欢迎访问学...

