下载后可任意编辑农村中小学老师工作投入状况及对策农村中小学老师工作投入状况及对策 一、 问题提出 工作投入是一种与工作相关的积极的...
下载后可任意编辑「开题报告」企业研发投入的会计核算和税务处理讨论 开题报告企业研发投入的会计核算和税务处理讨论一、立论依据 1.讨论...
内部管理制度系列某酒店安全生产投入保障制度(标准、完整、实用、可修改)GL实用范本 | DOCUMENT TEMPLATE 第2页/共 3页编号: FS-Q...
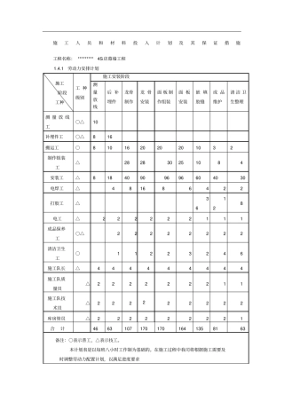
第一节人员配置一、人员配置原则(1)人员配置的基本原则是组织强有力的管理和技术人员上场,确保工程施(2) 以《资格预审文件》承诺的人员为...
序号设备名称型号数量国别制造额定功率生产用于施备注规格产地年份(KW)能力工部位1 电焊机BX1-300 3 台河北2014 24 钢材2 卷扬机2...
4 机械设备投入计划4.1 施工机械、设备的使用、维护、保养制度现场工程部设专职机械员,定期进行机械运行情况及安全状况进行严格检查。现...
下载后可任意编辑本页为作品封面,下载后可以自由编辑删除,欢迎下载!!! 精 品文档1【精品 word 文档、可以自由编辑!】施工机械设...
道路工程机械设备投入计划 (一)拟投入本标段的主要施工设备表 1、拟投入主要施工机械设备情况表 机械设备名称 型号规格 数 量 目...
(完整版)道路工程劳动力、机械设备和材料投入计划 劳动力、机械设备和材料投入计划 第一节 劳动力安排计划 在工程正式开工前,应加强岗...
目 录 道 路 保 洁 作 业车辆及设备投入 计划 .................................................................................
下载后可任意编辑第十一章 主要物资、施工机械设备配备及劳动力安排调配计划一、拟投入的主要物资计划1、施工用的全部材料和设备必须符合...
下载后可任意编辑安全生产文明施工措施费用投入计划书为强化安全生产、文明施工标准化管理,坚持治标与治本相结合,创建安全文明标准化施工...
下载后可任意编辑安全生产、文明施工投入计划第一、在安全管理制度建设方面1、建立健全安全生产责任制。设立项目部安全管理机构,配备专职...
下载后可任意编辑安全生产、文明施工措施费用投入计划一、工程安全文明施工目标本工程拟以下安全文明施工目标1、根据《建筑工程安全检查评...
下载后可任意编辑 安全文明施工措施费用 投入计划及实施方案安全文明施工措施费用本项目计划总投入为总造价的 2.5%。目标:杜绝重大伤亡...
工程资金投入计划资金投入保证措施正常的施工生产必须有足够的资金作为后盾,本招标工程作为我公司的重点工程,资金绝对专款专用、对资金的...
完美W ORD 格式 专业整理分享 第 七 节 设 备 及 工 具 投 入 一 、 保 洁 工 具 ( 一 ) 常 用 工 具 1.工 ...
第七节 设备及工具投入 一、保洁工具 (一)常用工具 1.工具名称:胶扫把 工具作用:扫帚是扫地除尘的工具,使用长杆竹扫把为了省时省...
设备及工具投入 一、保洁工具 (一)常用工具 1.工具名称:胶扫把 工具作用:扫帚是扫地除尘的工具,使用长杆竹扫把为了省时省力,长杆...
下载后可任意编辑施工机械设备计划本工程施工面积大,使用的机械设备较多,我公司将给予充分的准备。如我公司中标,将做如下计划:1、首先...

