宝岛优品—倾心为你打造精品文档宝岛优品—倾心为你打造精品文档食品安全工作台账培训资料沈场社区2016 年目录组织管理目标管理 —— 食...
原辅料进货制度宿州市创新生态农业科技有限公司原辅料进货记录产品名称规格生产许可证编号数量进货时间供货商名称供货商电话生产日期或批号...
项 目 部 安 全 生 产 台 账精品文档收集于网络,如有侵权请联系管理员删除上海住总金属结构件有限公司项目部安全生产台账工程名称...
1文档来源为:从网络收集整理.word 版本可编辑.安全生产“一个台账四个清单”制度第一条为认真贯彻落实《中华人民共和国安全生产法》、《地...
11序投入项目费用投入明细投入金额(元)报账时间报账人1 月2 月3 月4 月5 月6 月7 月8 月9 月10 月11 月12 月1安全教育培训费...
下载后可任意编辑热力台账核销先进事迹 中共抚远县热电厂支部委员会事迹 抚远县新世纪热力有限责任公司前身为抚远县热电厂,1991 年建厂...
隐 患 整 改 五 到 位 台 账精品文档收集于网络,如有侵权请联系管理员删除汇通新能源科技有限公司安全隐患治理五落实台账企业名称...
隐患排查治理管理制度1 目的为认真贯彻落实“安全第一,预防为主,综合治理”的安全生产方针,强化隐患排查整改和治理,以实现“本质安全...
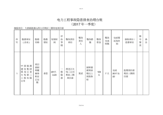
精品文档。1欢迎下载电力工程事故隐患排查治理台账(2017 年一季度)填报单位:大唐新能源山西公司利民三期风电项目部序号隐患单位( 企业...
废气处理设施运行台账Thedocumentwasfinallyrevisedon2021烤漆房废气处理设施运行台账企业名称:使用日期:2017 年持证上岗。环境污染防治...
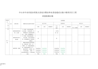
word 编辑文档中山市中水河流治理重点县综合整治和水系连通试点港口镇项目区工程质量检测台账结构部位分部工序号试样名称检测内容及送检项...
内部管理制度系列销售台账管理制度 ( 一) (标准、完整、实用、可修改)GL实用范本 | DOCUMENT TEMPLATE 第2页/共 3页编号: FS-Q...
下载后可任意编辑文明单位电子台账建设策划书 乐清市精神文明建设指导委员会办公室 5 月 26 日下发《关于文明单位电子台账建设情况的...
重大危险源管理台账工程名称:巴中市恩阳区医养园建设项目日期:年月日序号作业项目重大危险源潜在危险因素目前自检状态整改控制措施可能导...
XXXXXXXXXXXX餐饮经营单位()食品采购索证索票验收台账登记单位:年~XXX 区食品药品监督管理局监制餐饮业食品原料索证索票相关要求一、按...
下载后可任意编辑工程台账管理制度 一、目的 实行台账管理制度,是工程管理质量的一项重要措施,对于法律规范项目施工运作行为,建立服务...
下关区华宏地块经济适用房(白云雅居)三标段建安工程建筑施工现场临时用电管理台账(十月份)江苏九鼎环球建设科技集团有限公司建筑施工现...
洒水、冲洗台记录台账
泵 站 运 行 管 理 台 账 泵站:甘坑污水提升泵站 序号 表 格 名 称 表 格 主 要 内 容 表 格 使 用 范 围 备 ...
序号车牌号运土日期数量单 位出车时间 登记人备注1粤BQ73592013.8.291车12:14李勉钊2粤BQ73532013.8.291车12:21李勉钊3粤BQ69652013.8.29...

