实验 1 熟悉 Visual C++6.0 环境及运行 C 程序一、实验目的1.掌握在 Visual C++6.0 环境下 C 程序的建立、编辑、编译和执行过...
AI 的 3D 效果设计教程2025-1-13 10:28| 发布者: zmooler| 查看数: 143| 评论数: 0|原作者: 云泽|来自: ued.taobao.com摘要: ...
换热网络得设计——第一部分:主要就是 Asp e n 导入与自动设计1.启动 As p e n Ener g y Anal y zer2.新建 HI Case/H...
ProE 工程图创建模具设计教程1、更换启动画面教你换个起动画面,让你每天都有一个好心情:打开 PROE 的安装名目:例 D:\Program Files\...
ProE 工程图创建模具设计教程1、更换启动画面教你换个起动画面,让你每天都有一个好心情:打开 PROE 的安装名目:例 D:\Program Files\...
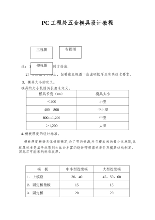
PC 工程处五金模具设计教程注: 1)右视图有必时才绘出. 2)仰视图可不绘出,但要在主视图下应注明板厚及有关技术要求。 3.模具大小的...
住宅设计重点:通过案例设计全过程的解剖与分析,住宅施工图设计方法及法律规范要点1.1 项目概况1.2 方案转化方法1.3 项目设计各方条件1...
新编 Visual Basic 程序设计教程习 题 解 答陈斌著南京师范大学生命科学学院 8月 第一章 Visual Basic概述1. VB是用于开发____...
《V B 程序设计》综合复习资料第一章 Vis u al Ba s i c程序设计概述一、填空题 1、Visua l Ba si c 就是一种面对__...
※声明:1. 实验所属课本原件为《Visual Basic 程序设计教程(第 4版) (□主编 龚沛曾 □编者 杨志强 陆慰民 谢步瀛)》 ;2....
MATLAB 第二版课后答案 unit3—8unit3实验指导1、 n=input('请输入一个三位数:');a=fix(n/100);b=fix((n-a*100)/10);c=n-a*10...
MATLAB 程序设计教程总结 MATLAB 程序设计教程总结 MATLAB 程序设计教程总结一、MATLAB 操作根底 1、MATLAB 的主要功能:(1)数值...
选择填空:第 1 章 1、 Java 运行平台包括三个版本,请选择正确的三项:〔 〕 A. J2EEB. J2ME C. J2SE D. J2E解答:A,B,C2...
练习题 1 参考答案一、选择题序号12345678参考答案ACADCCCA二、填空题1.程序设计语言主要分为以下三类:机器语言、 汇编语言 和 高级...
二2.1 #include
二级 C 语言程序设计教程课后习题答案(高教版)刊登日期:3 月 3 日 已有 4929 位读者读过此文第一章【1-1】.exe【1-2】.c .obj ....
第 8 章 Pro/ENGINEER Wildfire 3、0模具设计基础学习目标:☆掌握Pro/E 模具设计模块得一般操作流程。☆掌握分型面创建得一般方法。...
第第 11 章 章 CAXACAXA 实体设计实体设计 20132013 概述概述25/7/30Page 1 CAXA 实体设计 2013 应用概述1.1智能图素应用基础...
面对对象程序设计教程(C++语言描述)题解与课程设计指导第1章面对对象程序设计概论一、 名词解释抽象封装消息【问题解答】面对对象方法中...
二级 C 语言程序设计教程课后习题答案(高教版) 第一章【1-1】.exe【1-2】.c .obj .exe 【1-3】顺序,分枝(选择),循环第二章【2-1...

