山东省青岛市经济技术开发区(黄岛区)致远中学2012-2013学年高二语文山水田园诗主题单元设计鲁教版主题单元标题山水田园诗作者姓名李琳所...
山东省青岛市经济技术开发区(黄岛区)致远中学2012-2013学年高二语文《史记人物语言鉴赏》主题单元设计鲁教版主题单元标题鉴赏《史记》的...
山东省青岛市经济技术开发区(黄岛区)致远中学2012-2013学年高二语文语言应用思维导图主题单元设计鲁教版单元标题文言文教学作者姓名王晓...
山东省青岛市经济技术开发区(黄岛区)致远中学2012-2013学年高二语文“英雄虎胆辛弃疾”主题单元设计鲁教版主题单元标题英雄虎胆辛弃疾作...
山东省青岛市经济技术开发区(黄岛区)致远中学2012-2013学年高二语文中国古代章回小说的基本表现技巧主题单元设计鲁教版主题单元设计主题...
用KSial>F>Seeyon协同数据字典[说明]©2008UFSeeyonCo.,Ltd.Allrightsreserved.Thisdocumentcontainsinformationthatisproprietaryandcon...
致遠管理學院工業管理學系課程:品質管理任課老師:林東成1.房克成,管制圖,中華民國品質學會發行。2.張有成,抽樣檢驗,中華民國品質學會...
用友致远OA教程课件目录CONTENTS•用友致远OA系统概述•系统安装与配置•功能模块详解•高级功能与定制开发•常见问题与解决方案•培训与售...
金蝶开思OA与用友致远OA的对比目录一、金蝶开思OA简介...............................1二.金蝶开思OA的应用不足之处.......................
第1页共18页编号:时间:2021年x月x日书山有路勤为径,学海无涯苦作舟页码:第1页共18页致遠管理學院工業管理學系課程:品質管理任課老師:...
用友致远A6协同办公软件解决方案
授課目錄第一章品質管理概說第二章統計學概論第三章機率概論及機率分配第四章統計製程管制與管制圖第五章計量值管制圖第六章計數值管制圖第...
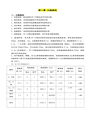
第一章工程概况一、工程概况1、工程名称:致远家园8#-13#楼及地下车库工程2、建设单位:天津赢超房地产开发有限公司3、建设地点:天津市河...
【作文365】“热闹”难致远,“枯燥”可长青作文题阅读下面的材料,根据要求写作。有人说,当今生活在消费主义和娱乐化环境中的一代人,常...
教师,何以“致远”每个人都希望自己的人生走得更远些。作为教师,常常扪心自问:到底能够走多远?这里的“远”,不仅代表一个教师对未来教...
致远中学高二年级文科数学周考卷(11.23)1、从编号为001,001,……,500的500个产品中用系统抽样的方法抽取一个样本,已知样本中编号最小...
材料院第三届创新创业大赛创业计划书作品名称:湖南致远石墨材料有限公司参赛单位:11级无机非金属班指导老师:刘海蓉副教授第1页共38页编...
第1页共39页编号:时间:2021年x月x日书山有路勤为径,学海无涯苦作舟页码:第1页共39页目录1概述..........................................
第1页共39页编号:时间:2021年x月x日书山有路勤为径,学海无涯苦作舟页码:第1页共39页目录1概述..........................................
致远协同管理平台整体解决方案之流程管理解决方案北京致远互联软件股份有限公司2024年11月28日目录1理念概述................................

