电脑桌面
添加小米粒文库到电脑桌面
安装后可以在桌面快捷访问

致远家园施工组织设计新改VIP免费

致远家园施工组织设计新改_第1页
1/150
致远家园施工组织设计新改_第2页
2/150
致远家园施工组织设计新改_第3页
3/150
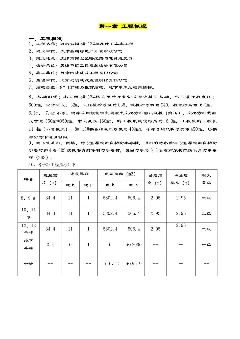
第一章工程概况一、工程概况1、工程名称:致远家园8#-13#楼及地下车库工程2、建设单位:天津赢超房地产开发有限公司3、建设地点:天津市河北区曙光路与迎贤道交口4、设计单位:天津华汇工程建筑设计有限公司5、施工单位:天津四建建筑工程有限公司6、监理单位:北京思创建设监理有限责任公司7、结构类型:8#-13#楼为框剪结构、地下车库为框架结构。8、基础形式:本工程8#-13#楼采用后注浆钻孔灌注桩桩基础,钻孔灌注桩直径:600mm,设计桩长:32m,工程桩砼等级为C35,试桩砼等级为C40,桩顶标高为-6.1m、-6.1m、-7.4m不等。地库采用预制钢筋混凝土空心方桩静压沉桩(抱压),空心方桩截面尺寸为350mm*350mm,中心孔径160mm,施工桩顶建筑标高为-6.3m,工程桩施工桩长11.4m(不含桩尖)。8#-13#楼基础底板厚度为400mm,车库基础底板厚度为450mm,塔楼部分为下返承台梁。9、地下室底板、侧墙、为3mm厚双面自粘防水卷材,顶板的防水做法3mm厚双面自粘防水卷材加4厚SBS改性沥青耐穿刺防水卷材,屋面防水为3+3mm厚高聚物改性沥青防水卷材(SBS)。10、各子项工程指标如下:楼号建筑高度(m)建筑层数建筑面积(m2)首层层高(m)标准层层高(m)耐火等级地上地下地上地下8、9号34.41115802.4506.42.952.95二级10、11号34.41115802.4506.42.952.95二级12、13号楼34.41115802.4506.42.952.95二级地下车库3.4010约8000----一级合计------17407.2约9519------二、本工程的重点和难点及处理方法1、地下室施工阶段的材料组织问题解决方法:开工前,认真做好材料的采购计划,根据实际情况对水泥、钢材、木材、商品混凝土等主要土建材料、各种装修材料以及安全防护用品等特殊材料编制材料用量计划及进场计划,分批进场。对各种材料的采购、入库、保管和出库,制定完善的管理方法,加强防盗、防火管理。同时,我司将结合以往经验对可能影响工程进度的机电设备(如发电机)做出合理进场时间计划,并说明国内采购等情况,提交业主参考,真正行使好总包的参谋职责,避免出现设备供货原因造成工期延误。2、主体施工期间五天一层进度保证措施我公司将从以下几方面组织,全力保证五天一标准层的施工进度要求。1)人员方面2)机械方面3)材料方面4)施工方法方面详细阐述见第十二章施工进度计划中的保证措施3、本工程劳动力的组织根据该工程各部位的预算用工量和计划工期,我项目部初步确定各分部分项的主要工种的用工人数,以满足正常施工的需要。本工程计划每栋楼配备一个施工队伍,从组织形式上保证施工人员的充足。土建施工队主要由木工、钢筋工、混凝土工、瓦工、抹灰工、电工、机械工等工种组成,基本满足基础、主体混凝土结构及装饰工程作业。针对工程的重点和难点,我们将结合以往施工工程的经验在施工准备阶段组织编制专项施工方案,具体指导工程施工。对于通用性的施工工序,组织编制并不断完善单项施工工艺措施、施工方案和作业指导书,重点阐明主要项目的施工方法、施工工艺、工程进度安排、劳动力组织、质量及安全保证措施,以利于有效地指导现场施工。第二章编制说明及编制依据一、编制依据1、建设单位的招标文件要求2、设计院的建筑、结构设计蓝图3、建设方提供的电子版现状地形图和现场的实地考察4、现行的国家、行业和地方工程建设标准,通常包括但不局限于如下内容,在以后的章节中还有对其他标准的引用:序号标准编号标准名称一国家标准1GBJ50152-92混凝土结构试验方法标准2GB50496-2009大体积混凝土施工规范3GB50204-2002混凝土结构工程施工质量规范4GB50208-2002地下防水工程质量及验收规范5GB50202-2002建筑地基基础工程施工质量验收规范6GB50207-2002屋面工程质量验收规范7GB50203-2002砌体工程施工及验收规范8GB50209-2010建筑地面工程施工质量验收规范9GB50345-2004屋面工程技术规范10GB50026-2007工程测量规范11GB1499-2007钢筋混凝土用热轧带肋钢筋12GB1499.1-2008钢筋混凝土用热轧光圆钢筋13GB50268-2008给水排水管道工程施工及验收规范14GB50231-2009机械设备安装工程施工及验收规范15GB50242-2002建筑给排水及采暖工程施工质量验收规范16GB50303-2002建筑电气工程施工质...

1、当您付费下载文档后,您只拥有了使用权限,并不意味着购买了版权,文档只能用于自身使用,不得用于其他商业用途(如 [转卖]进行直接盈利或[编辑后售卖]进行间接盈利)。
2、本站所有内容均由合作方或网友上传,本站不对文档的完整性、权威性及其观点立场正确性做任何保证或承诺!文档内容仅供研究参考,付费前请自行鉴别。
3、如文档内容存在违规,或者侵犯商业秘密、侵犯著作权等,请点击“违规举报”。

碎片内容

致远家园施工组织设计新改

确认删除?
VIP
微信客服
  • 扫码咨询
会员Q群
  • 会员专属群点击这里加入QQ群
客服邮箱
回到顶部