第1页共14页编号:时间:2021年x月x日书山有路勤为径,学海无涯苦作舟页码:第1页共14页1、编制依据序号名称编号1《建筑工程施工质量验收统...
目录第一章编制依据................................................1第二章工程概况................................................1...
第1页共10页编号:时间:2021年x月x日书山有路勤为径,学海无涯苦作舟页码:第1页共10页目录1编制依据......................................
.目录1工程概况.............................................................................................................31.1工...
成品油零售经营许可审批流程图页脚内容龙昆悦城烟道安装专项施工方案编制人:审核人:批准人:编制单位:山河建设集团有限公司编制时间:二零...
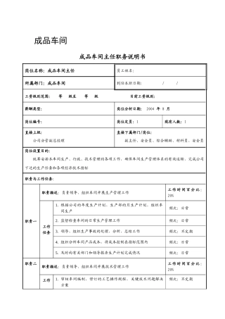
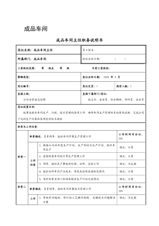
成品车间成品车间主任职务说明书岗位名称:成品车间主任员工姓名:所属部门:成品车间到任本职日期://工资级别范围:等级至等级目前工资级...
成品班保管岗位说明书岗位名称成品班保管岗岗位编号所在部门物资设备科岗位定员8直接上级成品班长岗位工资直接下级无分析人所辖人员无分析...
成品油罐充氮储藏安全操作规程充氮目的:为了延长成品玉米油的储存时间,减少成品油储罐内的空气含量,降低成品油与空气的接触几率,从而保...
成品库年终总结成品库年终总结篇一为在20xx年能够扬长避短,更好适应自己的岗位,现将工作总结及20xx年的工作计划制定如下:一、20xx年存在...
成品油库设备管理工作总结2011年,成品油库在上级领导和相关部门的指导支持下,按照集团公司关于设备管理的相关细则的要求,并结合“我要安...
钢筋运输及成品码放安全技术交底工程名称南昌市港口大道工程IV标施工部位或层次施工内容钢筋运输及成品码放交底项目交底日期交底内容:一、...
第1页共8页编号:时间:2021年x月x日书山有路勤为径,学海无涯苦作舟页码:第1页共8页电压力锅成品检验基准书文件编号:DYB250-J-2000版本...
成品库统计员岗位说明书岗位名称成品库统计员岗岗位编号所在部门物资设备科岗位定员1直接上级科长岗位工资直接下级无分析人所辖人员无分析...
成品检验管理制度成品检验实习总结不知不觉,为期两个月的实习一眨眼就过去了,通过这两个月的实习,感悟很深,受益非浅。刚来到实习单位珠...
泌尿外科品管圈成品护理课件•品管圈介绍•泌尿外科护理现状•品管圈在泌尿外科的应用•案例分享目•总结与展望录contents01品管圈介绍品管...
工作总结王丽娟成品天真的笑脸见证八零后特岗女教师成长---记XX县区第二中学教师王丽娟先进事迹王丽娟同志2009年毕业于新疆财经大学新闻学...
成品保护安全技术交底交底内容1、对新入场的工人进行严格的“三级”安全教育,对应熟知的安全技术操作规程,进行考核,不合格者不能上岗。2...
成品车间安全试题一、填空题:(每空3分,共60分)1.我公司采用的二套水泥磨规格为m。2.水泥制成设备及其系统存在的主要危险、有害因素为、...
生产类考核/成品管理考核/考核方法名称生产类考核/成品管理考核/考核方法编码版本页次1/4修改状态1.生产计划部考核分值表考核对象:生产计...
第1页共8页编号:时间:2021年x月x日书山有路勤为径,学海无涯苦作舟页码:第1页共8页成品管理考核以及考核方法名称生产类考核以及成品管理...

