精品文档---下载后可任意编辑扑热息痛(对乙酰氨基酚),使用最广泛也最让人感到亲切的解热镇痛药,无论感冒发烧,还是头痛关节痛,都可以...
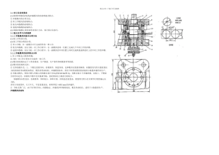
精品文档---下载后可任意编辑3.1 学习目的和要求(1) 熟悉和掌握各种(类)冲裁模具的结构性能及特点。① 冲裁模具的分类方法;② 单工序...
精品文档---下载后可任意编辑主题熟悉度对欧美学生汉语词汇学习的影响的开题报告背景介绍:近年来,欧美学生学习汉语的活跃程度提高了,学...
精品文档---下载后可任意编辑,贵阳五年中考命题规律)年份题型题号考查点及如何考查分值总分2024作图题23受力示意图:考查了物块 A 与容器...
精品文档---下载后可任意编辑一体化对基于熟悉性的联结再认的作用的开题报告主题:一体化对基于熟悉性的联结再认的作用问题提出:人类有着...
精品文档---下载后可任意编辑12 月 13 日杭州千课万人 一、谈话引入,指向习惯:师:孩子们看,今日呢,我们要来写熟悉的一个人的一件...
1 安庆市消防支队特勤中队 “六熟悉”示范本 二〇一一年九月 2 目录 一、辖区概况 (一)总平面图 (二)分区示意图 (三)分区界...
第一次坐飞机,必熟悉的常识! 一、乘飞机常识 应尽量轻装。根据规定,手提物品不得超过五公斤,因此能托运的,可随机或分开托运。一般可...
《现代教育技术》网络课程练习题库及答案 一、单项选择题 1、教育技术发展的初级阶段是 ( ) A.19 世纪末、20 世纪初 B. 1918—...
1 1. I see. 我明白了。 2. I quit! 我不干了! 3. Let go! 放手! 4. Me too. 我也是。 Rightway: So am I. Cat: r...
第 五 章 熟 悉 而 陌 生 的 力 1、 力 的 概 念 : 力 是 物 体 对 物 体 的 相 互 作 用 。 2、 力 产 ...
本科实验报告 课程名称: 计算机网络基础 姓 名: 张凌燕 学 院: 软件学院 系: 软件工程 专 业: 软件工程 学 号: 3 0...
熟悉的默生人浅谈阿兹海默氏症
我的姥姥 每个人的身边都有自己熟悉的人。当然,我也有,她就是我的姥姥。 姥姥今年六十多岁了,银灰色的头发总是梳理得整整齐齐。她个子...
计算机网络原理实验报告 实验一 熟悉常用的网络命令实验报告 1.实验目的: 学会使用常用ping ,ipconfig, nslookup, arp ,tracert...
实验目的: 借助DEBUG 程序发现汇编语言程序的错误并加以改正 实验过程: 一,在 debug 环境下建立和汇编程序 (1)进入 debug C:...
1, geometrical [dʒiə'metrikəl] adj. 几何的,几何学的 2, hybrid ['haibrid] n. 混合物;杂种,混血儿 adj. 杂种的;混合...
熟悉binutils工具集
GIS 原理与应用实习指导-ArcGIS 环境与测绘学院—地理信息与遥感科学系 1 实习一 熟悉软件:使用 ArcGIS 浏览和管理地理数据 在开...
三年级熟悉的一个人作文【篇一:三年级作文 我熟悉的人】我的妈妈我的妈妈,她很漂亮,嘴巴大大的,眼睛很有神,平时对人总是一脸笑容。 ...

