国内10大热门智能手机腾讯数码讯(水蓝)智能手机如今已是人们购机的首选,而各大厂商数量众多的机型更是让人眼花缭乱。那么在众多搭载不同...
智能配电网的故障处理自动化技术袁钦成(中国电力科学研究院北京科锐配电自动化股份有限公司)摘要:配电系统故障处理是一个系统过程。本文...
数字城市、智能城市与智慧城市的区别与关系2012年02月09日最近国内城市规划界不停的在出现新名词,出现新概念,出现新思潮,发起新运动,各...
第1课认识机器人提到机器人大家并不陌生,一些科幻电影或动画片里经常出现机器人的身影,它们神通广大,具有非凡的本领。在实际生活中,机...
现场总线智能仪表及其应用摘要:网络技术的迅速发展引发了自动控制领域的深刻技术变革,以现场总线和工业以太网技术为代表的控制网络技术是...
森林防火智能分析无线传输监控系统方案联系人:张凯联系电话:18620388241一、概况森林火灾是世界性的林业重要灾害之一,不仅烧毁森林,降低...
......智能快递柜系统实施方案公司:河南跬步网络科技有限公司日期:2015。7。28一、产品简介智能快递柜是一个基于云计算和物联网技术,能够...
关于我市智能城市建设的调研报告近年来,随着物联网、云计算等信息通信技术的发展和城市化进程的加速,城市建设在经济社会发展中的重要作用...
胜利油田临时变电站智能视频监测报警系统设计方案目录一、系统概述..............................................................1二、...
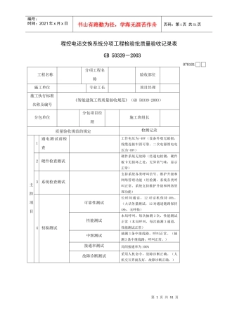
第1页共51页编号:时间:2021年x月x日书山有路勤为径,学海无涯苦作舟页码:第1页共51页程控电话交换系统分项工程检验批质量验收记录表GB50...
LFK-8000智能变电站辅助系统综合监控平台产品说明书编写苏陆军校对黄莹审核段运鑫批准杨东海河南龙源许继科技股份发展有限公司2012年11月目...
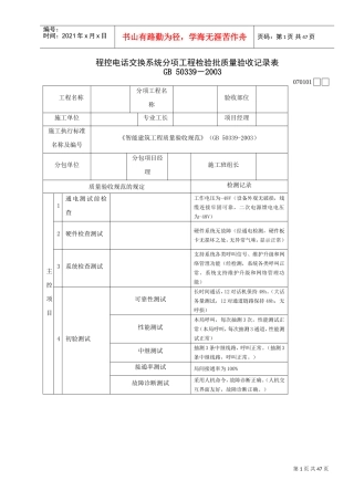
第1页共47页编号:时间:2021年x月x日书山有路勤为径,学海无涯苦作舟页码:第1页共47页程控电话交换系统分项工程检验批质量验收记录表GB50...
使用说明书PLM文件ID号0311000108/B产品型号DTZY/DSZY719C-G(C)DTZY/DSZY719S-G(C)文件名称三相本地费控智能电能表(无线)使用说明书编制...
论文题目SIMOCODEpro智能控制器在沙1水泥项目中的应用2008年4月SIMOCODEpro智能控制器在沙1水泥项目中的应用[摘要]本文介绍了智能马达控制...
第1页共79页编号:时间:2021年x月x日书山有路勤为径,学海无涯苦作舟页码:第1页共79页目录序号名称备注001智能建筑工程概况表002施工现场...
燃气锅炉智能与优化控制系统的研究关键词:燃气锅炉;热负荷预测;智能与优化控制1引言近几年来,我国城市燃气结构有了很大变化,陕北天然气...
BrioEnterprise商务智能解决方案只有BrioTechnology为您提供了一个完整的并且完全集成的商务智能方案,该方案在客户/服务器和Web环境中具...
第一单元第四节智能机器人东风教育集团刘丽梅李东华【教学目标】认识智能机器人,了解当前人工智能研究领域中最活跃的部分,感受智能机器人...
智能制造概述摘要:介绍了智能制造提出的背景、主要研究内容和目标,人工智能与IMT、IMS的关系,IMS和CIMS,智能制造的物质基础及理论基础,智...
房子装修布线建议(智能家居布线系统)随着家庭通信设备、娱乐设备的增多,在房屋装修时的布线就显得尤为重要,不然会给您今后的生活带来不...

