解决方案ABBi-bus®EIB智能安装控制系统ABBi-bus智能控制系统目录一、i-bus智能控制系统介绍二、会展中心i-bus方案三、广场i-bus方案...
智能照明控制系统解决方案智能照明控制系统方案介绍(广州莱安智能开发系统照明控制解决方案)设计单位:广州莱安智能化系统开发有限公司网...
教学素材创新智能教学创生新的课堂本文刊载于(教育科学论坛)2022年第10期●龚春燕在我国全面贯彻实施(全日制义务教育课程标准〔实验稿〕...
楼宇智能照明控制系统设计方案新楼房旳建设要适应网络时代旳发展,应引入智能化旳概念。在老式旳楼宇自控系统中,一般只涉及了综合布线、计...
地磅智能无人值守称重系统技术方案一,什么是无人值守智能称重系统?无人值守智能称重系统,将原来粗狂、繁杂的称重管理工作变得非常高效、...
小区进出口智能停车管理系统第一章关于车牌识别技术车牌识别技术(LicensePlateRecognition,LPR)以计算机技术、图像处理技术、模糊识别为...
主动式智能视频监控系统——高速公路应用篇海视智能HS-IVS智能视频分析系统一、项目背景城市让生活更美好!道路让城市更流畅!道路上的秩序...
恒格科技专业节能路灯远程智能监控系统技术方案尊敬的领导:很高兴为您服务.市政路灯是城市居民日常生活中不可缺少的公共设施,是城市形象...
填表需知一、填写本表前,学生应根据本表各部分要求写出初稿,由指导老师审查通过。二、参照指导教师意见修改初稿后正式填写本表,所填内容...
...智能停车场道闸系统标准方案1/58...目录前言(公司简介)...................................................................5系统功...
第1页共12页编号:时间:2021年x月x日书山有路勤为径,学海无涯苦作舟页码:第1页共12页山河智能股权激励计划1、本股权激励计划是依据《中...
酒店客房灯光智能控制系统方案目录一、系统概述3二、系统应用特点43.1综合节能效益明显43。2提高管理水平、延长设备使用寿命错误!未定义书...
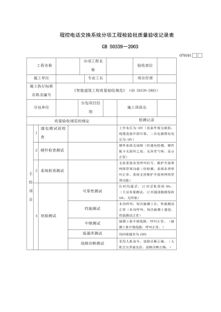
程控电话交换系统分项工程检验批质量验收记录表GB50339-2003工程名称分项工程名称验收部位施工单位专业工长项目经理施工执行标准名称及编...
多元智能与儿童观许邦兴1何谓观?观就是人脑中所拥有的对事物的认识或看法。作为常用词来表达,就是平常所说的观点、观念、思想。人的行为...
客服中心智能排班系统设计方案说明目录一、工程概述1二、排班管理系统流程图2三、排班管理系统框架图2四、需求规格描述24。1历史话务统计24...
RFID智能医疗系统解决方案方案概述在实际使用中,应用系统的内在结构会千变万化,但作为前端数据采集工具的RFID系统其部署方式大同小异:RF...
中国电信广东公司智能组网产品安装服务规范(第一版)中国电信广东公司2017年1月目录1前言.................................................
监狱智能安全防范系统可行性方案监狱智能安全防范系统...................................................................................
文章编号:XXX中图分类号:TM46文献标志码:A学科分类号:470·40智能配电网中三相APF-STATCOM谐波、不平衡负载及无功电流复合控制策略季晓...
瑞安市民政局智能审讯监控系统工程报价明细表(一)项目编号:RACG20080100301-62价格单位:人民币元序号设备名称推荐品牌型号技术参数数量...

