1环境监测试题库2第一章国家标准及监测技术规范一、判断题1.为了推动我国火电行业对SO2的治理工作,实行SO2排放总量与排放浓度双重控制。...
-1-环境监测质量管理工作总结xxxx年,我省环境监测质量管理工作在省环保厅和国家环保部的正确领导,在中国环境监测总站的业务指导下,认真...
环境监测试题库一、名词解释1、优先污染物:经过优先选择的污染物称为环境优先污染物,简称为优先污染物。2、背景断面:反映进入本地区河流...
环境监测试卷试题环境监测考试试题及答案应用化学系《环境监测》试卷(含答案)(说明:考试时间110分钟)成绩一二三四五六总分一、填空(本...
环境监测考试试题10套试题一一、填空题:(每空1分,共25分)1、水中铬常以两种价态形式存在,其中的毒性最强。2、水体控制断面是为了了解...
1、什么是环境监测?答:环境监测就是通过对影响环境质量因素的代表值的测定,确定环境质量(或污染程度)及其变化趋势。2、环境监测一般包...
环境监测复习资料1环境监测复习资料第一章绪论一、环境监测:就是通过对影响环境质量因素的代表值的测定,确定环境质量(或污染程度)及其...
第一张绪论1环境监测是通过对影响环境质量因素的代表值的测定,确定环境质量(或污染程度)及其变化趋势.2环境监测的过程一般为:现场调查→监...
实用标准文案精彩文档项目采样方法采气流量采气量/采样时间样品保存时间吸收瓶其他特殊要求标准号1、总悬浮颗粒物(TSP)重量法(大流量、...
实用标准文案精彩文档1、什么是环境监测?答:环境监测就是通过对影响环境质量因素的代表值的测定,确定环境质量(或污染程度)及其变化趋...
实用标准文案精彩文档环境监测试题库一、名词解释1、优先污染物:经过优先选择的污染物称为环境优先污染物,简称为优先污染物。2、背景断面...
第一章1.环境监测的过程一般为:现场调查、监测方案制订、优化布点、样品采集、运送保存、分析测试、数据处理、综合评价等p12.环境监测的目...
第1页共3页环境监测用X-γ辐射空气比释动能率仪操作规程1.目的规范JB4000型环境监测用X-γ辐射空气比释动能率仪的操作程序,保证正确使用仪...
江西省环境监测系统环境监测基础知识抢答赛复习题(市级站)目录一、国家标准及技术规范基础1-4页市级58题二、实验室基础、质量保证及质量...
江苏省环境监测专业服务收费标准一、现场采样及测试收费标准金额单位:元序号类别采样项目名称采样测试方法计量单位收费标准备注(一)大气...
国家职业教育水环境监测与治理专业教学资源库1水环境监测工环境监测人员持证上岗考核制度第一章总则第一条为了做好环境监测人员上岗合格证...
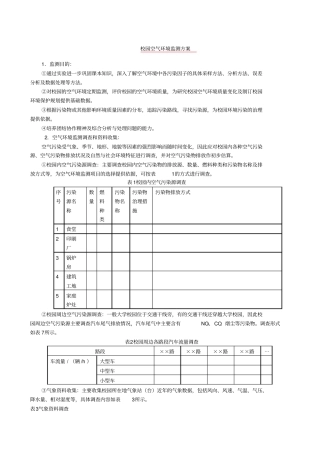
校园空气环境监测方案1.监测目的:①通过实验进一步巩固课本知识,深入了解空气环境中各污染因子的具体采样方法、分析方法、误差分析及数...
1南京邮电大学自动化学院实验报告实验名称:无线环境参数测量系统课程名称:智能仪器设计基础所在专业:测控技术与仪器学生姓名:林若愚班...
XX年市农业局农业环境监测管理站工作总结2014年,我站在农业局的领导下,在自治区农业生态与资源保护总站的指导下,按照市政府1010重点工作...
XX市环境监测工作总结一、主要工作业绩:(一)充分发挥监测职能,推动环境监测实现新跨越环境监测工作是环境管理的基础性工作,是环境管理...

