金属非金属地下矿山安全生产标准化评分办法二○一一年八月目录一、说明...................................................................
罗宾斯(重庆)地下工程设备有限公司1#联合厂房、2#办公楼、3#综合楼、4#变电所、5#门卫放线记录永川区房地产测量队2011年12月13日罗宾斯(重...
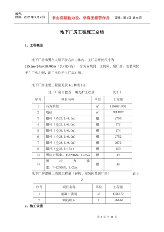
第1页共25页编号:时间:2021年x月x日书山有路勤为径,学海无涯苦作舟页码:第1页共25页17-5渗漏水的治理地下防水工程出现的渗漏水症害,直...
衢州市地下矿山生产安全事故原因分析及对策措施一、基本情况衢州市现有非煤地下矿山企业×家,按管辖分,市级2家,衢江7家,龙游2家,江山4...
地下管线保护方案目录1编制依据........................................................................................................
1/9《厦门市地下管线探测及信息化建设》项目介绍厦门市城市建设档案馆林广元一、项目简介厦门市地下管线探测及信息化建设项目综合应用了测...
目录第一章编制说明.............................................................................................................1第...
江苏省工程建设标准DGJJXXXXX-2010DGJ32/JXX-2010钻孔灌注桩成孔、地下连续墙成槽质量检测技术规程(征求意见稿)2010-XX-XX发布2010-XX-XX...
......城市地下综合管廊建设之顶管施工法全解析顶管施工顶管施工就是非开挖施工方法,是一种不开挖或者少开挖的管道埋设施工技术。顶管法施...
全国城市地下管廊环境监测系统解决方案全国城市地下管廊环境监测系统解决方案一、地下管廊环境监测概述地下管廊装有各种线信号线、热力管、...
编号:2016/AZ-0901-文件版本:A/0公司安全生产责任制编制:审核:批准:受控状态:受控2016年9月1日发布2016年9月1日实施批准页柳古司第(...
地下聚氨酯防水涂料冷作业施工1范围本工艺标准适用于工业与民用建筑物、构筑物地下防水工程采用聚氨酯防水涂料冷作业涂膜防水工程。2施工准...
《有色金属矿山地下开采生产技术规程》(1990年6月中国有色金属工业总公司颁布)第一章总则1.0.1矿山生产规模应根据国内外市场需求,地质资...
《有色金属矿山地下开采生产技术规程》(1990年6月中国有色金属工业总公司颁布)第一章总则1.0.1矿山生产规模应根据国内外市场需求,地质资...
中心XX县区地下管线普查工作方案为进一步提高中心XX县区地下管线管理水平,实现工程管线数字化、动态化、现代化管理,更好地为县城建设和经...
地下管网保护方案XX省城市地下管网条例XX省城市地下管网条例(2015年5月29日XX省第十二届人民代表大会常务委员会第十五次会议通过)第一章...
地下停车场管理方案针对近期地下停车场准备竣工验收,即将投入使用,针对地下车库的使用,做出以下方案,以便于地下车库的管理和安全。一、...
金属非金属地下矿山安全生产标准化评分办法二○一一年八月目录一、说明...................................................................
尊域Ⅱ期桩基工程技术交底1材料及主要机具:1.1水泥:宜采用425号普通硅酸盐水泥或矿渣硅酸盐水泥。1.2砂:中砂或粗砂,含泥量不大于5%。1....
物料明細表頁數:MS-LBBF-01工程編號:D06356日期:2007-11-26工程項目:D06356深圳華潤中心二期–1-3棟地下1-3層住戶大堂修訂:2008-04-11編號...

