第1页共42页山江速筑工程管理:机械钻成孔灌注(后压浆)桩专项施工方案余庆东城三校(白泥镇第二幼儿园、实验二小、特殊教育学校)编制人...
标、标段人工挖孔桩施工专项方案编制人:审核人:审批人:杭州永翔建设集团有限公司淮远河商业特色街工程项目部二○○八年月施工组织设计方...
第1页共6页编号:时间:2021年x月x日书山有路勤为径,学海无涯苦作舟页码:第1页共6页人工成孔灌注桩施工工艺标准1范围本工艺标准适用于工...
福建蓝桥建设集团有限公司诏安县江滨新区农民失地安置小区工程人工挖孔灌注桩施工专项方案编制单位:福建蓝桥建设集团有限公司编制日期:年...
阳明小学新建工程旋挖成孔灌注桩专项施工方案编制人:职称:职务:审核人:职称:职务:审批人:职称:职务:江西明耀建设工程有限公司2017...
第1页共5页编号:时间:2021年x月x日书山有路勤为径,学海无涯苦作舟页码:第1页共5页人工成孔灌注桩施工工艺标准1范围本工艺标准适用于工...
第1页共5页编号:时间:2021年x月x日书山有路勤为径,学海无涯苦作舟页码:第1页共5页人工成孔灌注桩施工工艺标准1范围本工艺标准适用于工...
工程编号:WJ-2005-04-22施工组织设计中国XXXXX工程公司二OO五年四月二十二日中国XXXXX工程公司施工组织设计WJ-2005-04-22项目名称:...
钻孔灌注桩施工平安技术交底名称:中国铁建十六集团华甘泉铁路工程5标工程经理部施工队(班组)交底时间分项工程名称施工部位桩基安全总监工...
施工技术交底记录2021年9月15日工程名称分部工程分项工程名称钻孔灌注桩交底内容:钻孔灌注桩一、施工准备1、材料⑴混凝土:C30商品混凝土...
桥梁钻孔灌注桩质量缺陷的防治与处理实践摘要结合工程实际提出了桥梁钻孔灌注桩施工过程中断桩的处治措施,详细介绍了钻孔灌注桩断桩处理过...
钻孔灌注桩技术、平安交底一、技术交底内容1、施工要点:〔1〕该桩设计桩径米护筒顶标高设计孔底标高设计桩长米孔深〔护筒顶至孔底〕设计嵌...
钻孔灌注桩平安技术交底工程名称:施工桥梁四队建立分项工程名称钻孔灌注桩作业内容钻孔、灌注交底部门安保部工程部交底人施工限年月日至年...
振压钢筋混凝土灌注桩施工总桩数:一、施工准备、技术资料与前期准备()围护桩施工合同()工程地质勘察报告()桩位平面布置图、工程施工...
中铁十二集团工程技术交底书编:主送钻孔作业队日2005.11.10工程名称钻孔灌注桩技术交底书根据图温福施图〔桥〕-25钻孔灌注桩技术交底书一...
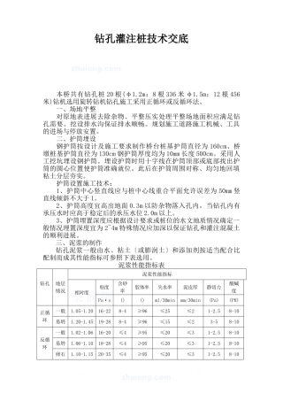
钻孔灌注桩技术交底本桥共有钻孔桩20根(φ1.2m:8根336米φ1.5m:12根456米)钻机选用旋转钻机钻孔施工采用正循环或反循环法。一、场地平整...
施工技术交底〔Fe-12〕工程名称钻孔灌注桩交底对象交底人记录人交底日交底内容:一、测量放样在本桥右侧建立一个三角测量控制网利用全站仪...
钻孔灌注桩技术交底交底时间:2010-7-12工程名称平禹九矿进场道路K0+660处中桥工程分项分部工程钻孔灌注桩施工中平能化建工集团工程部位桩...
钻孔灌注桩施工监理细那么一、机械、设备、电源的检查1、用于本工程的根底施工机械、设备进场后要求承包人填报进场设备报验单进场的机械、...
钻孔灌注桩、静压预应力混凝土桩工程监理施行细那么编制人:郑旭辉杭州中研工程监理台电住宅小区11地下车库钻孔灌注桩工程监理施行细那么目...

