第1页共40页编号:时间:2021年x月x日书山有路勤为径,学海无涯苦作舟页码:第1页共40页第三章顶部天线桅杆安装方案第一节天线桅杆安装总体...
第1页共40页编号:时间:2021年x月x日书山有路勤为径,学海无涯苦作舟页码:第1页共40页第三章顶部天线桅杆安装方案第一节天线桅杆安装总体...
第1页共2页编号:时间:2021年x月x日书山有路勤为径,学海无涯苦作舟页码:第1页共2页某天线技术企业销售会计岗职务说明书岗位名称销售会计...
摩比公司股权分配设计方案为充分调动员工的工作积极性并提高其工作效率,使员工利益和企业利益更加一致化,追求高效率的企业治理结构,摩比...
第1页共4页编号:时间:2021年x月x日书山有路勤为径,学海无涯苦作舟页码:第1页共4页某天线技术企业总帐和报表会计岗职务说明书岗位名称总...
.实用文档.天线的主要性能指标1、方向图:天线方向图是表征天线辐射特性空间角度关系的图形。以发射天线为例,从不同角度方向辐射出去的功...
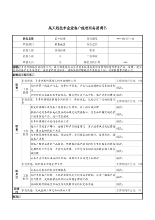
某天线技术企业客户经理职务说明书岗位名称客户经理岗位编号***-DQ-QY-101所在部门销售地区岗位定员直接上级区域经理职系直接下级无工资等...
巴特勒天线阵的独立多波束固定方向数cdma中sa工作原理目录•巴特勒天线阵概述•独立多波束固定方向数cdma系统•sa工作原理•系统实现及性能...
第1页共4页编号:时间:2021年x月x日书山有路勤为径,学海无涯苦作舟页码:第1页共4页某天线技术企业财务总监职务说明书岗位名称财务总监岗...
第1页共4页编号:时间:2021年x月x日书山有路勤为径,学海无涯苦作舟页码:第1页共4页某天线技术企业产品质量保证工程师职务说明书岗位名称...
第1页共8页编号:时间:2021年x月x日书山有路勤为径,学海无涯苦作舟页码:第1页共8页第三章天线美化工程结构安全分析第一节美化杆体的分类...
第1页共54页编号:时间:2021年x月x日书山有路勤为径,学海无涯苦作舟页码:第1页共54页1绪论1.1引言进入21世纪以来,随着无线移动用户数...
第1页共11页编号:时间:2021年x月x日书山有路勤为径,学海无涯苦作舟页码:第1页共11页第四代移动通信系统中的多天线技术一、引言由于第三...
摩比公司股权分配设计方案为充分调动员工的工作积极性并提高其工作效率,使员工利益和企业利益更加一致化,追求高效率的企业治理结构,摩比...
第1页共12页编号:时间:2021年x月x日书山有路勤为径,学海无涯苦作舟页码:第1页共12页移动通信中天线阵列特性基于MATLAB实现编制姚晨,李...
移动通信基站天线美化产品技术规范二OO八年一月基站天线美化产品技术要求—选型文件目录1、材料选型概述....................................
天线极化综述
资料图纸交流中心给站长留言电工技术论坛电子技术论坛有线电视技术论坛晶体管资料查询卫星接收天线调整的三大参数广州电子技术网――-思维...
•手机天线测试概述•手机天线测试的挑战与解决方案•手机天线测试案例分析手机天线测试的定义0102手机天线测试是指对手机内置天线进行性能...
相控阵天线的计算方法课件目录01CATALOGUE相控阵天线概述相控阵天线的定义01相控阵天线是一种由多个天线元素组成的阵列,通过相位和幅度控...

